Curiosii for ever!
: Car repair manuals for everyone.
Home
>>
Cadillac
>>
1998
>>
Seville STS V8-4.6L VIN 9
>>
Repair and Diagnosis
>>
Powertrain Management
>>
Computers and Control Systems
>>
Relays and Modules - Computers and Control Systems
>>
Body Control Module
>>
Diagrams
>>
Electrical Diagrams
>>
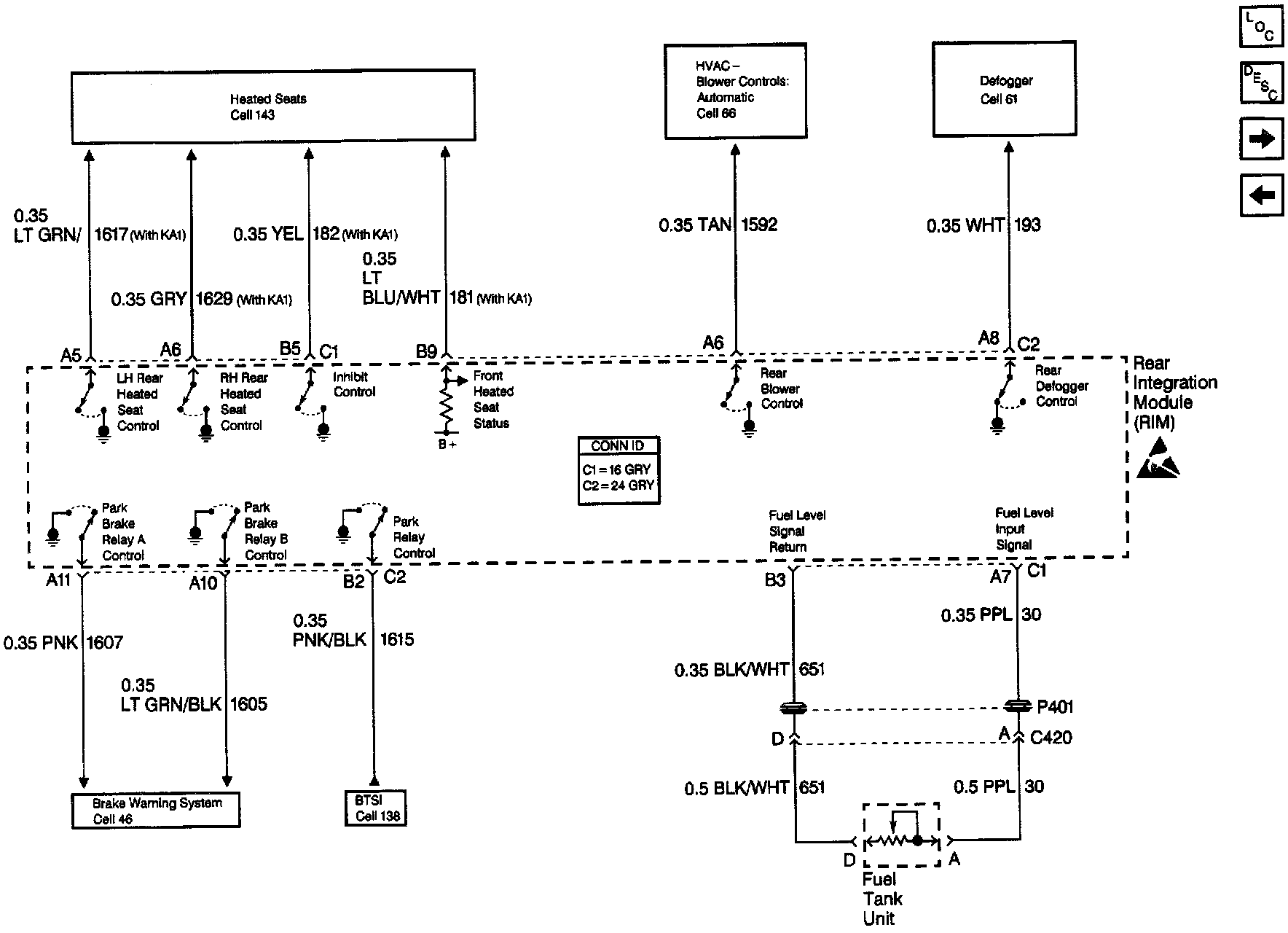
RIM Inputs and Outputs
RIM Inputs and Outputs
Body Control Module Schematics: RIM Inputs And Outputs:
Body Control Module Schematics: RIM Inputs And Outputs: