Curiosii for ever!: Car repair manuals for everyone.

Removal Procedure



Tools Required




^ J34730-1A Fuel Pressure Gauge
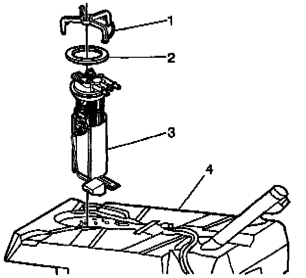
^ J 39765 Fuel Sender Lock Nut Wrench

Caution: Fuel Vapors can collect while servicing fuel system pads in enclosed areas such as a trunk. To reduce the risk of fire and increased exposure to vapors:
^ Use forced air ventilation such as a fan set outside of the trunk.
^ Plug or cap any fuel system openings in order to reduce fuel vapor formation.
^ Clean up any spilled fuel immediately.
^ Avoid sparks and any source of ignition.
^ Use signs to alert others in the work area that fuel system work is in process.



Caution: Gasoline or gasoline vapors are highly flammable. A fire could occur if an ignition source is present. Never drain or store gasoline or diesel fuel in an open container, due to the possibility of fire or explosion. Have a dry chemical (Class B) fire extinguisher nearby.

Caution: Always wear safety goggles when working with fuel in order to protect the eyes from fuel splash.

Caution: Drain the fuel tank to at least 3/4 of a tank before removing the fuel sender retaining ring or fuel sender access panel in order to avoid possible fuel spillage. Falling to follow this procedure could result in personal injury.



Notice: Clean all of the following areas before performing any disconnections in order to avoid possible contamination in the system:
^ The fuel pipe connections
^ The hose connections
^ The areas surrounding the connections


Notice: Do Not handle the fuel sender assembly by the fuel pipes. The amount of leverage generated by handling the fuel pipes could damage the joints.

Important: Always replace the fuel sender O-ring when reinstalling the fuel sender assembly.

1. Relieve the fuel system fuel pressure. Refer to the Fuel Pressure Release Procedure. Fuel Pressure Release

2. Drain the fuel tank to at least 3/4 of a tank full. Refer to Fuel Tank Draining Procedure. Service and Repair

3. Remove the spare tire cover, the jack, and the spare tire.

Caution: Remove the rear compartment floor trim to provide technician contact with the vehicle's metal surfaces. Failure to remove the rear compartment floor trim may cause a static electricity discharge to ignite any fuel vapor resulting in personal injury and vehicle damage.

Notice: Remove the rear compartment floor trim to avoid damage from fuel spillage.




4. Remove the rear compartment floor trim (1).
5. Remove the bolts from the fuel sender access panel (2).

Notice: In order to prevent damage, cover the fuel pipe fittings with a shop towel before disconnecting the fuel pipes or removal of the fuel sender retaining ring, in order to catch any fuel that may leak out. Place the towel in an approved container when procedure is completed.

6. Disconnect the quick-connect fittings at the fuel sender assembly.
7. Disconnect the electrical connector at the modular fuel sender.
8. Disconnect the electrical connector at the fuel tank pressure sensor.




9. Remove the fuel sender retaining ring (2) using the J 39765 Fuel Sender Spanner Wrench (1).

Important: When removing the modular fuel sender assembly from the fuel tank, the reservoir bucket on the fuel sender assembly is full of fuel. The modular fuel sender assembly must be tipped slightly during removal in order to avoid damage to the float. Place any remaining fuel into an approved container once the modular fuel sender assembly is removed from the fuel tank.

Important: The modular fuel sender assembly will spring-up when the locking ring is removed.




10. Pull the modular fuel sender straight up while pumping the fuel from the reservoir.
11. Clean the fuel sender assembly O-ring sealing surfaces.
12. Inspect the fuel sender assembly O-ring sealing surfaces.