Curiosii for ever!
: Car repair manuals for everyone.
Home
>>
Cadillac
>>
1998
>>
Seville STS V8-4.6L VIN 9
>>
Repair and Diagnosis
>>
Diagrams
>>
Electrical Diagrams
>>
Powertrain Management
>>
Computers and Control Systems
>>
Body Control Module
>>
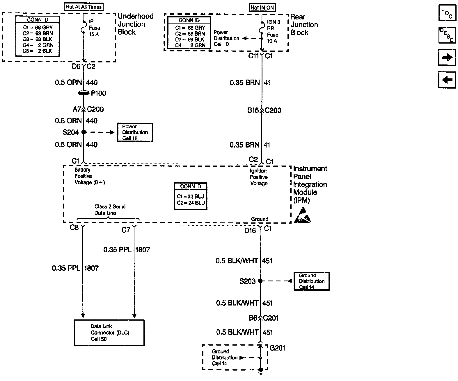
IPM Power and Ground
IPM Power and Ground
Body Control Module Schematics: IPM Power And Ground: