Curiosii for ever!
: Car repair manuals for everyone.
Home
>>
Cadillac
>>
1998
>>
Seville STS V8-4.6L VIN 9
>>
Repair and Diagnosis
>>
Diagrams
>>
Electrical Diagrams
>>
Doors
>>
Door Control Module Schematics
>>
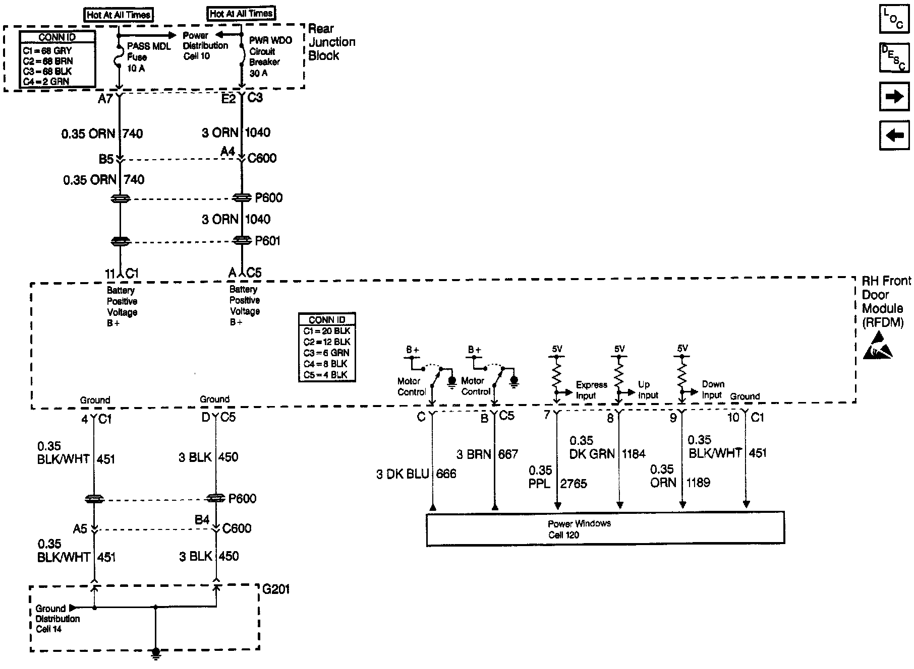
RFDM Power, Ground Inputs and Outputs
RFDM Power, Ground Inputs and Outputs
Door Control Module Schematics: RFDM Power, Ground Inputs And Outputs: