Curiosii for ever!
: Car repair manuals for everyone.
Home
>>
Cadillac
>>
1998
>>
Seville STS V8-4.6L VIN 9
>>
Repair and Diagnosis
>>
Diagrams
>>
Components
>>
Modules
>>
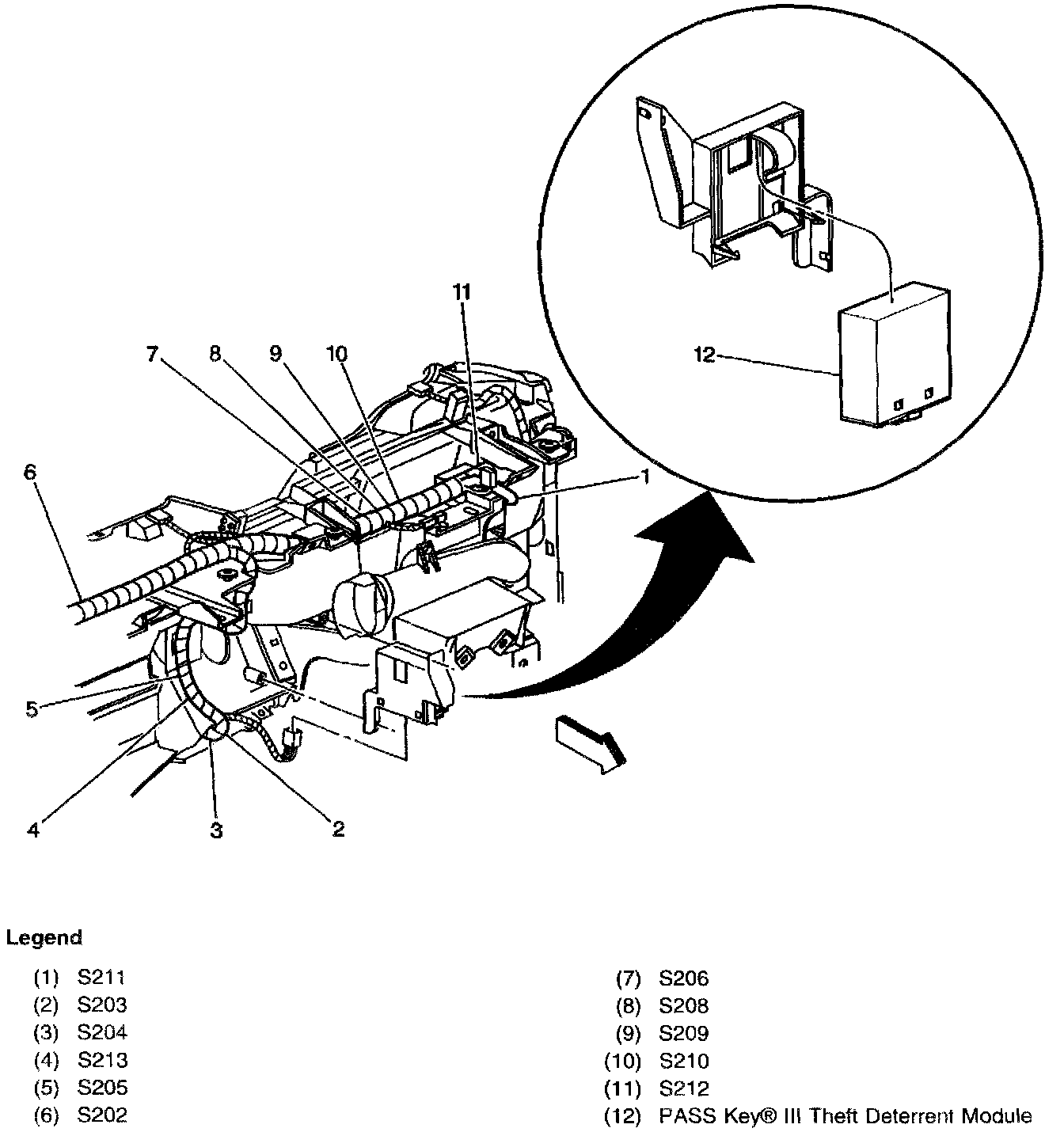
Pass-Key(R) III Theft Deterrent Module
Pass-Key(R) III Theft Deterrent Module
Passenger Compartment Left Side Under The IP:
Left hand of the instrument panel, right of the steering column