Curiosii for ever!
: Car repair manuals for everyone.
Home
>>
Cadillac
>>
1998
>>
Seville STS V8-4.6L VIN 9
>>
Repair and Diagnosis
>>
Cruise Control
>>
Diagrams
>>
Electrical Diagrams
>>
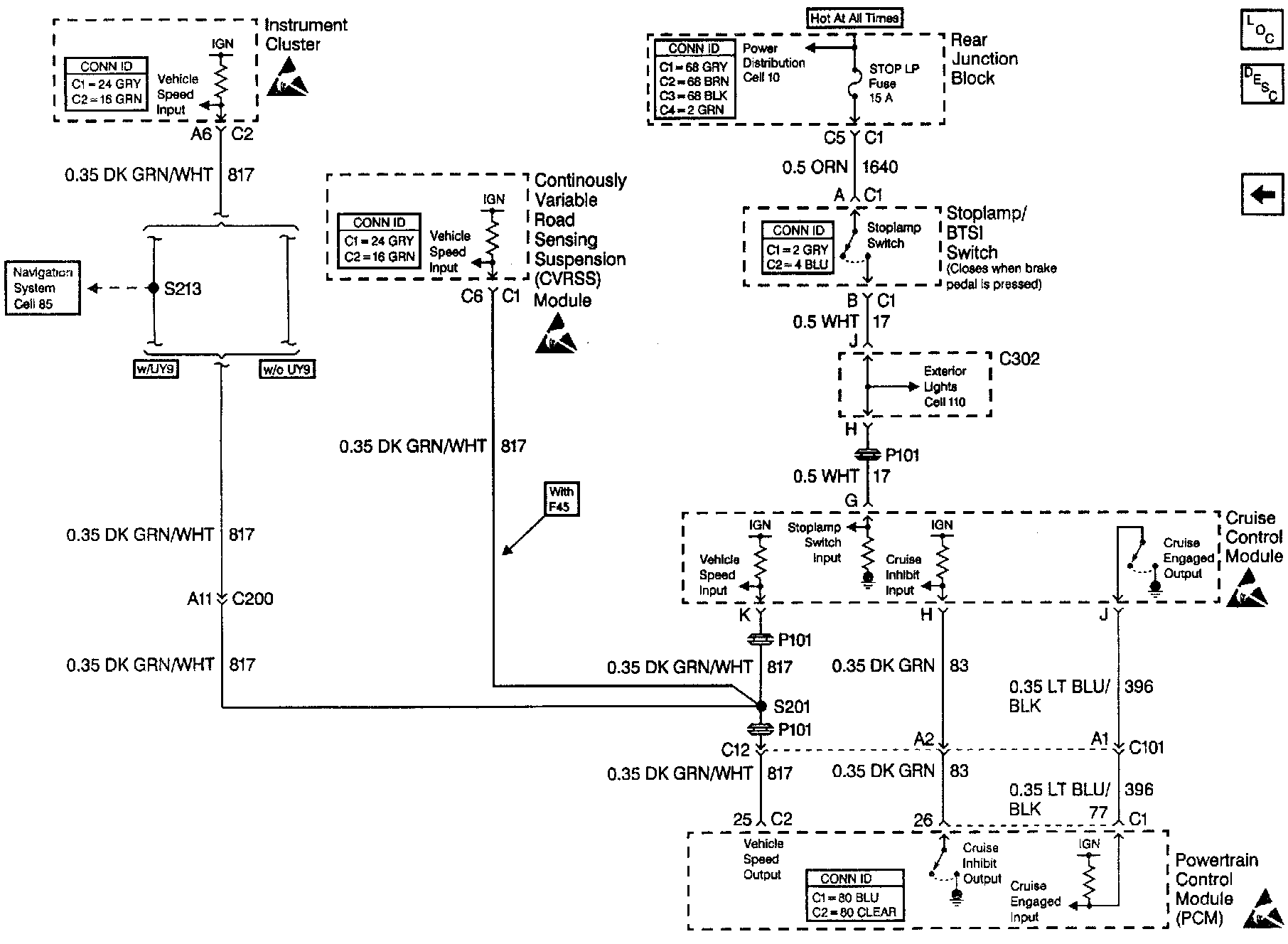
Cruise Control Module PCM Controls and Vehicle Speed Input
Cruise Control Module PCM Controls and Vehicle Speed Input
Cruise Control Schematics: Cruise Control Module PCM Controls And Vehicle Speed Input: