Curiosii for ever!: Car repair manuals for everyone.

Cruise Control Switch Assembly - Pivot and Pulse(Control)

DISASSEMBLY PROCEDURE
1. Remove the upper and lower shrouds. Refer to SHROUDS, SHIFT LEVER SEAL.





2. The column should be fully extended out before the disassembly procedure.
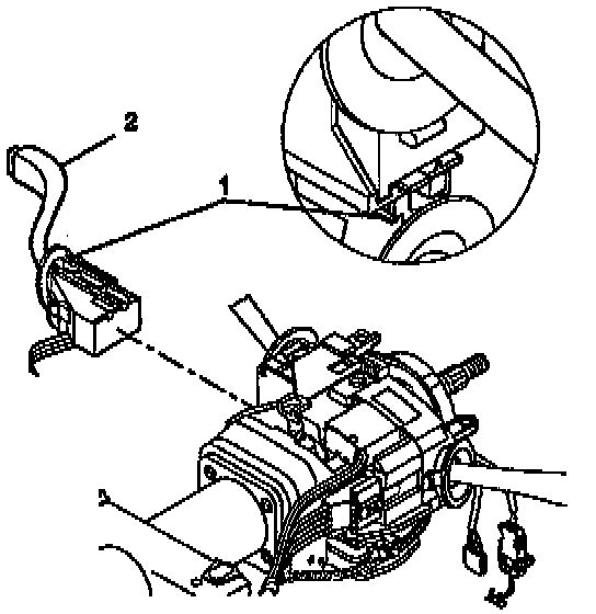
Remove the two wire harness straps (2). Remove one wire harness strap (2) from the steering column tilt head assembly (1).





3. Pop the wire harness assembly (1) from the wire harness strap (2).





4. When working on the power tilt and telescope column remove 3 wire harness straps (2). Remove one wire harness strap (1).





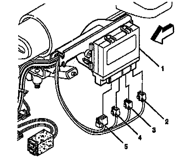
5. When working on the power tilt and telescope column remove the green (5), brown (4), natural (3) and the black (2) connectors from the Steering Column interface module assembly (1).





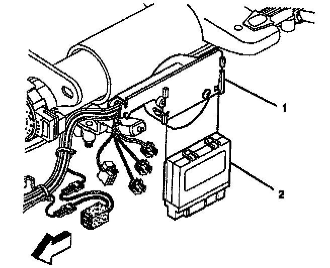
6. When working on the power tilt and telescope column remove the Steering Column interface module assembly (2) from the lower wire shield (1).





7. When working on the power tilt and telescope column pop open the lower wire shield (1) to remove the wire harness assembly (2).
In the lower wire shield (1), notice which direction (3) and placement the wires are located.





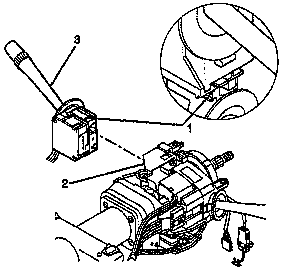
8. Remove the blue (1) and gray (2) connectors.





9. Depress the tab (1) on the cruise control switch assembly (2) and remove.





10. Depress the tabs (1) on the pivot & pulse switch assembly (3) and remove from the switch mounting bracket (2).

ASSEMBLY PROCEDURE





1. The column should be fully extended out before the assembly procedure.
Insert the pivot & pulse switch assembly (2) into the switch mounting bracket (1).





2. Insert the cruise control switch assembly (2) into the switch mounting bracket (1).





3. Route the wires from the pivot & pulse switch assembly (3) and the cruise control switch assembly (2) into the wire harness assembly (1).





4. Install the blue (2) and gray (1) connectors.





5. Install two wire harness straps (2). Install one wire harness strap (2) into the steering column tilt head assembly (1).





6. Pop the wire harness assembly (1) into the wire harness strap (2).





7. When working on the power tilt and telescope column install the wire harness assembly (2) into the lower wire shield (1)
In the lower wire shield (1) place the wires In the direction (3) shown.





8. When working on the power tilt and telescope column slide the Steering Column interface module assembly (2) into the lower wire shield (1).





9. When working on the power tilt and telescope column install the green (5), brown (4), natural (3) and the black (2) connectors into the Steering Column interface module assembly (1).





10. When working on the power tilt and telescope column install the, three wire harness straps (2) onto the wire harness assembly.
11. Install the wire harness strap (1) into the steering column tilt head assembly.
12. Install the upper and lower shrouds. Refer to Shrouds, Shift Lever Seal.