Curiosii for ever!
: Car repair manuals for everyone.
Home
>>
Cadillac
>>
1998
>>
Eldorado V8-4.6L VIN Y
>>
Repair and Diagnosis
>>
Powertrain Management
>>
Computers and Control Systems
>>
Body Control Module
>>
Diagrams
>>
Electrical Diagrams
>>
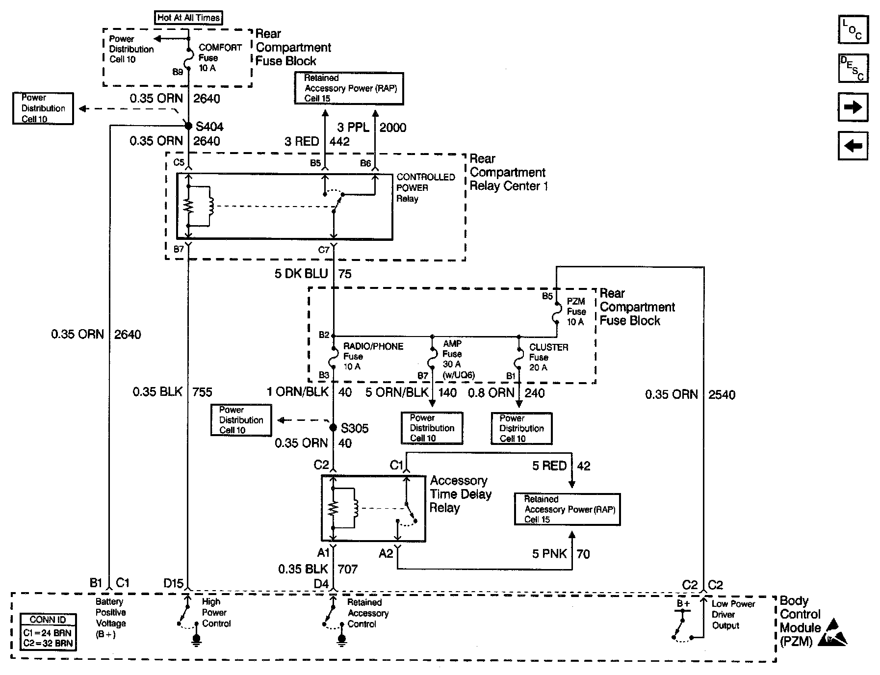
Controlled Power Circuits
Controlled Power Circuits
Body Control Module Schematics: Controlled Power Circuits: