Curiosii for ever!
: Car repair manuals for everyone.
Home
>>
Cadillac
>>
1998
>>
Eldorado V8-4.6L VIN Y
>>
Repair and Diagnosis
>>
Diagrams
>>
Components
>>
Modules
>>
Memory Seat Module (MSM)
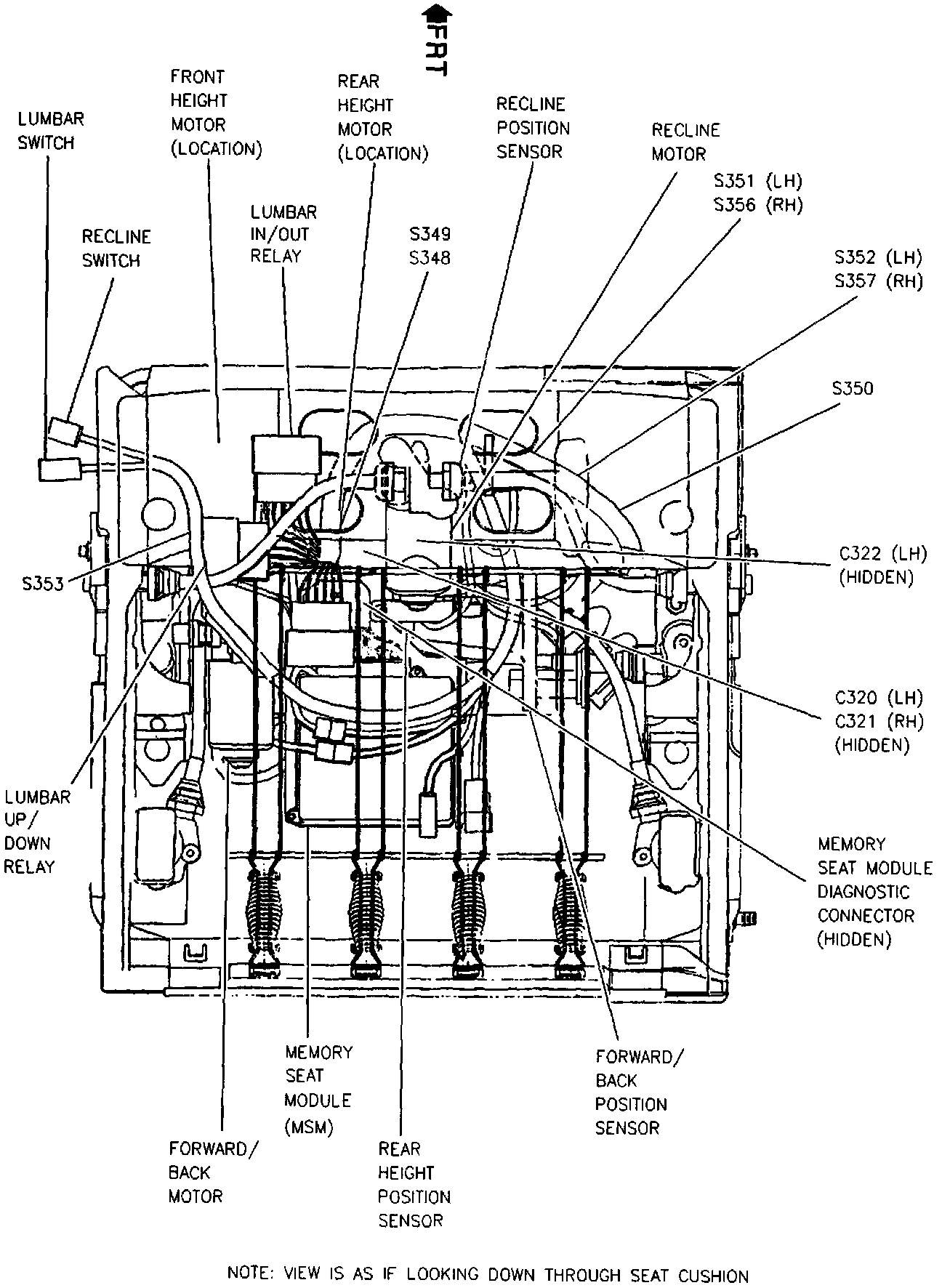
Memory Seat Module (MSM)
RH Front Seat (LH Similar):