Curiosii for ever!
: Car repair manuals for everyone.
Home
>>
Cadillac
>>
1998
>>
Eldorado V8-4.6L VIN Y
>>
Repair and Diagnosis
>>
Diagrams
>>
Components
>>
Modules
>>
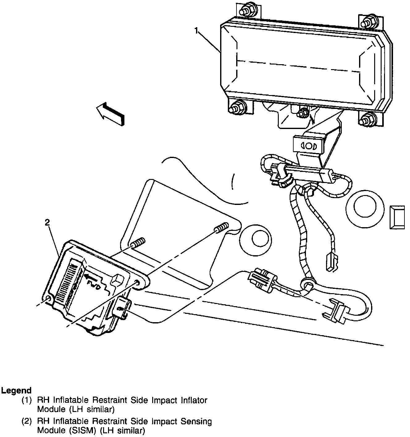
Inflatable Restraint Side Impact Inflator Module
Inflatable Restraint Side Impact Inflator Module
RH Front Door (LH Similar):
Right Hand Front Door: