Curiosii for ever!
: Car repair manuals for everyone.
Home
>>
Cadillac
>>
1998
>>
Eldorado V8-4.6L VIN Y
>>
Repair and Diagnosis
>>
Diagrams
>>
Components
>>
Modules
>>
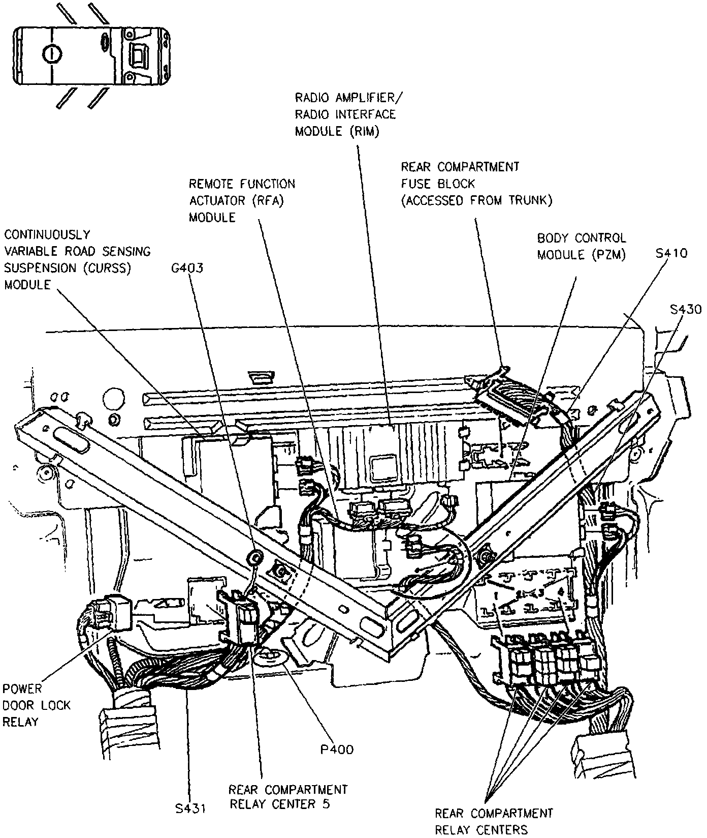
Body Control Module (PZM)
Body Control Module (PZM)
Passenger Compartment, Behind The Rear Seat:
Behind Rear Seat Back:
In the left rear of the passenger compartment, behind the rear seat, on the electronics bay