Curiosii for ever!
: Car repair manuals for everyone.
Home
>>
Cadillac
>>
1998
>>
Catera V6-3.0L VIN R
>>
Repair and Diagnosis
>>
Relays and Modules
>>
Relays and Modules - Powertrain Management
>>
Relays and Modules - Computers and Control Systems
>>
Body Control Module
>>
Diagrams
>>
Electrical Diagrams
>>
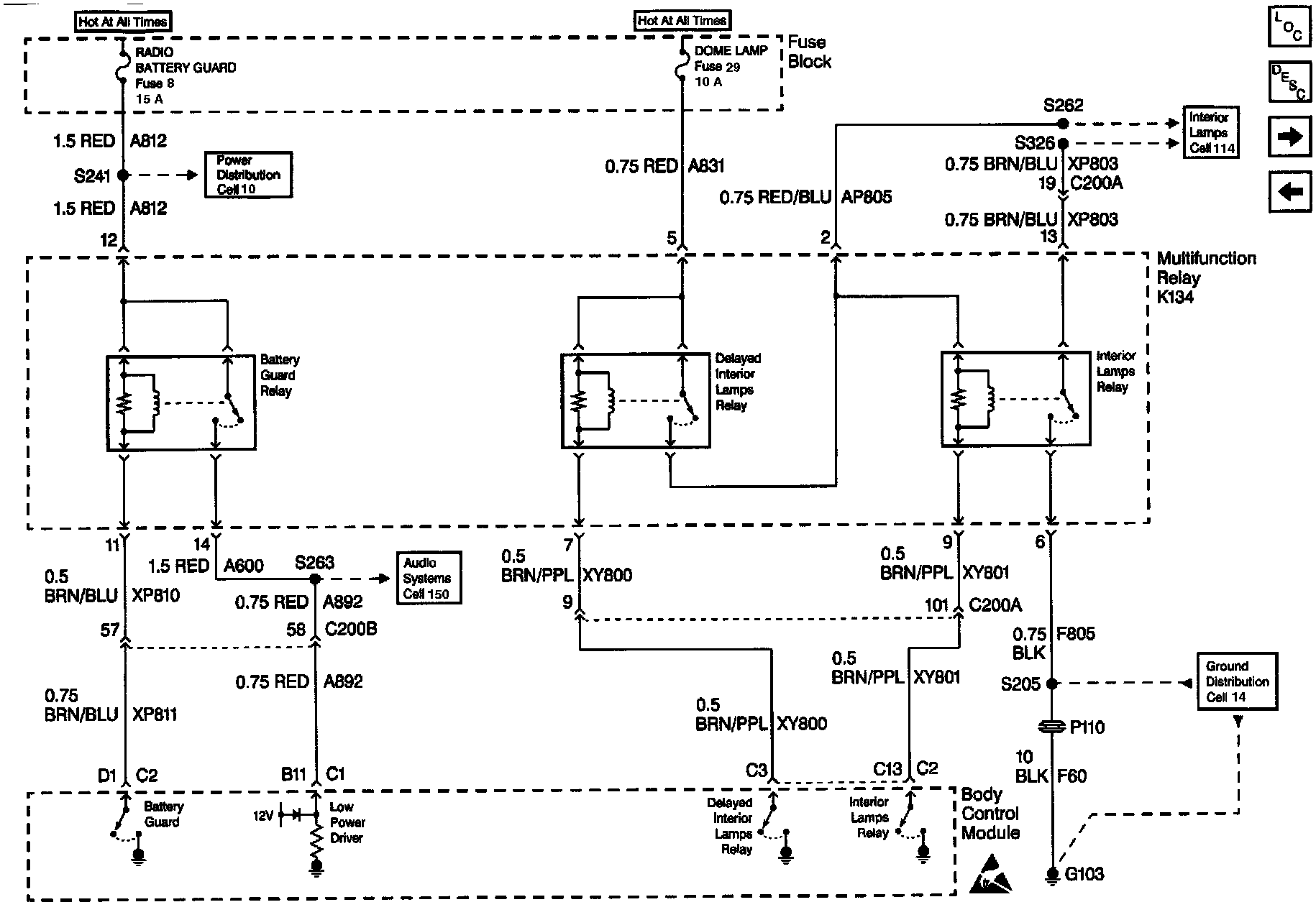
Multifunction Relay
Multifunction Relay
Body Control Module Schematics: Multifunction Relay: