Curiosii for ever!
: Car repair manuals for everyone.
Home
>>
Cadillac
>>
1998
>>
Catera V6-3.0L VIN R
>>
Repair and Diagnosis
>>
Locations
>>
Component Locations
>>
Modules
>>
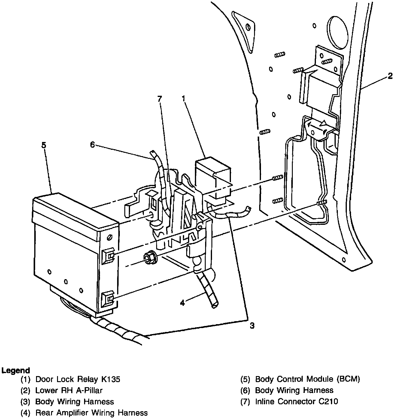
Body Control Module (BCM)
Body Control Module (BCM)
Lower RH A-Pillar And BCM: