Curiosii for ever!
: Car repair manuals for everyone.
Home
>>
Cadillac
>>
1997
>>
Seville STS V8-4.6L VIN 9
>>
Repair and Diagnosis
>>
Power and Ground Distribution
>>
Fuse Block
>>
Locations
>>
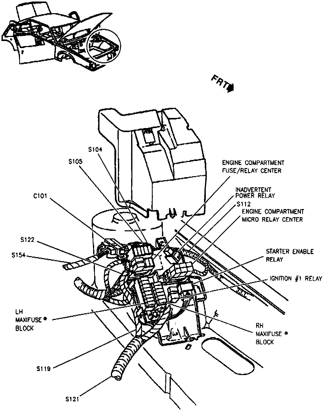
Engine Compartment Fuse Block
Engine Compartment Fuse Block
LH Center Of Engine Compartment: