Curiosii for ever!
: Car repair manuals for everyone.
Home
>>
Cadillac
>>
1997
>>
Seville STS V8-4.6L VIN 9
>>
Repair and Diagnosis
>>
Body and Frame
>>
Seats
>>
Memory Positioning Systems
>>
Memory Positioning Module
>>
Locations
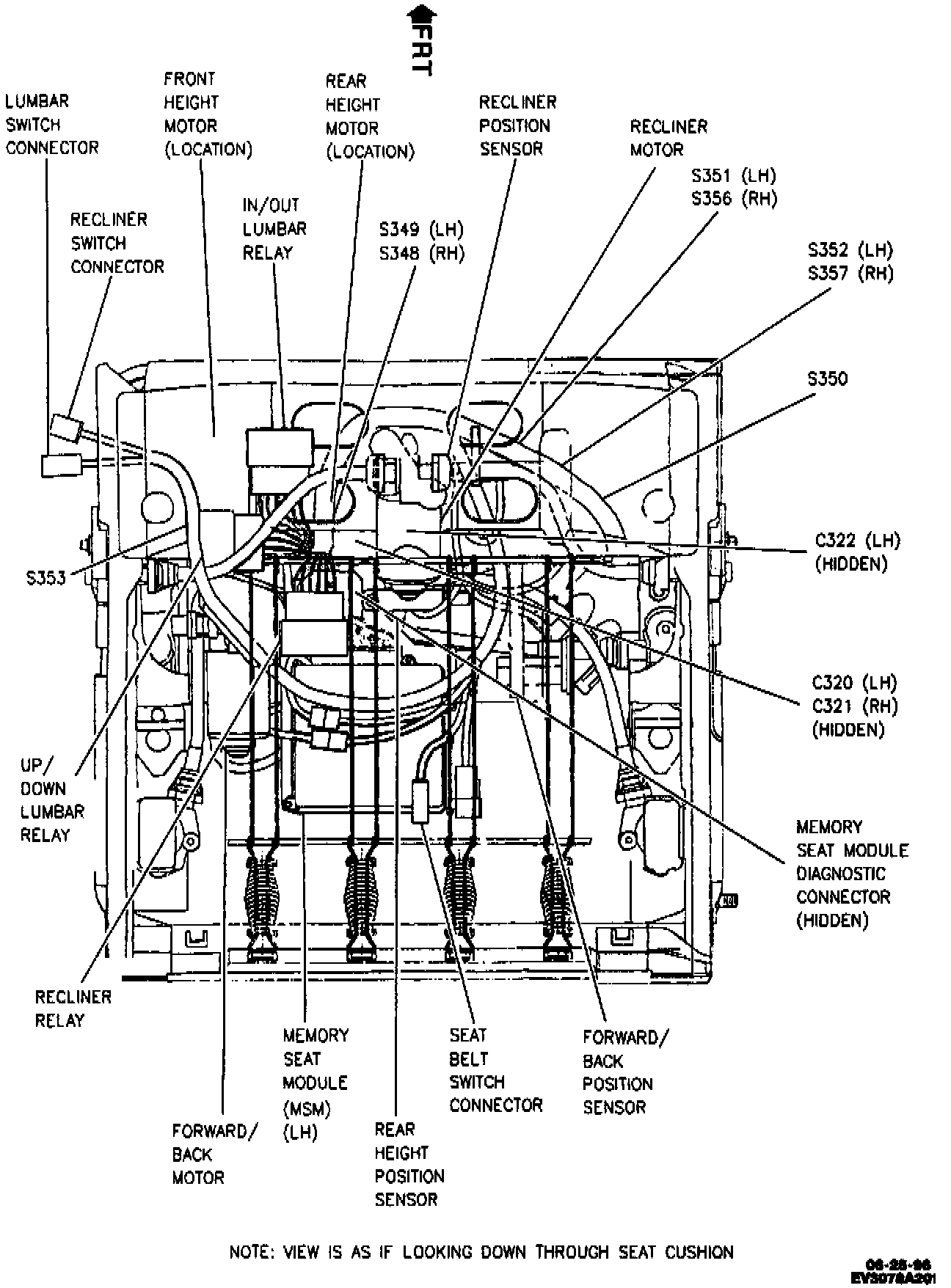
Memory Positioning Module: Locations
RH Front Seat, LH Similar: