Curiosii for ever!
: Car repair manuals for everyone.
Home
>>
Cadillac
>>
1997
>>
Catera V6-3.0L VIN R
>>
Repair and Diagnosis
>>
Powertrain Management
>>
Computers and Control Systems
>>
Relays and Modules - Computers and Control Systems
>>
Body Control Module
>>
Diagrams
>>
Electrical Diagrams
>>
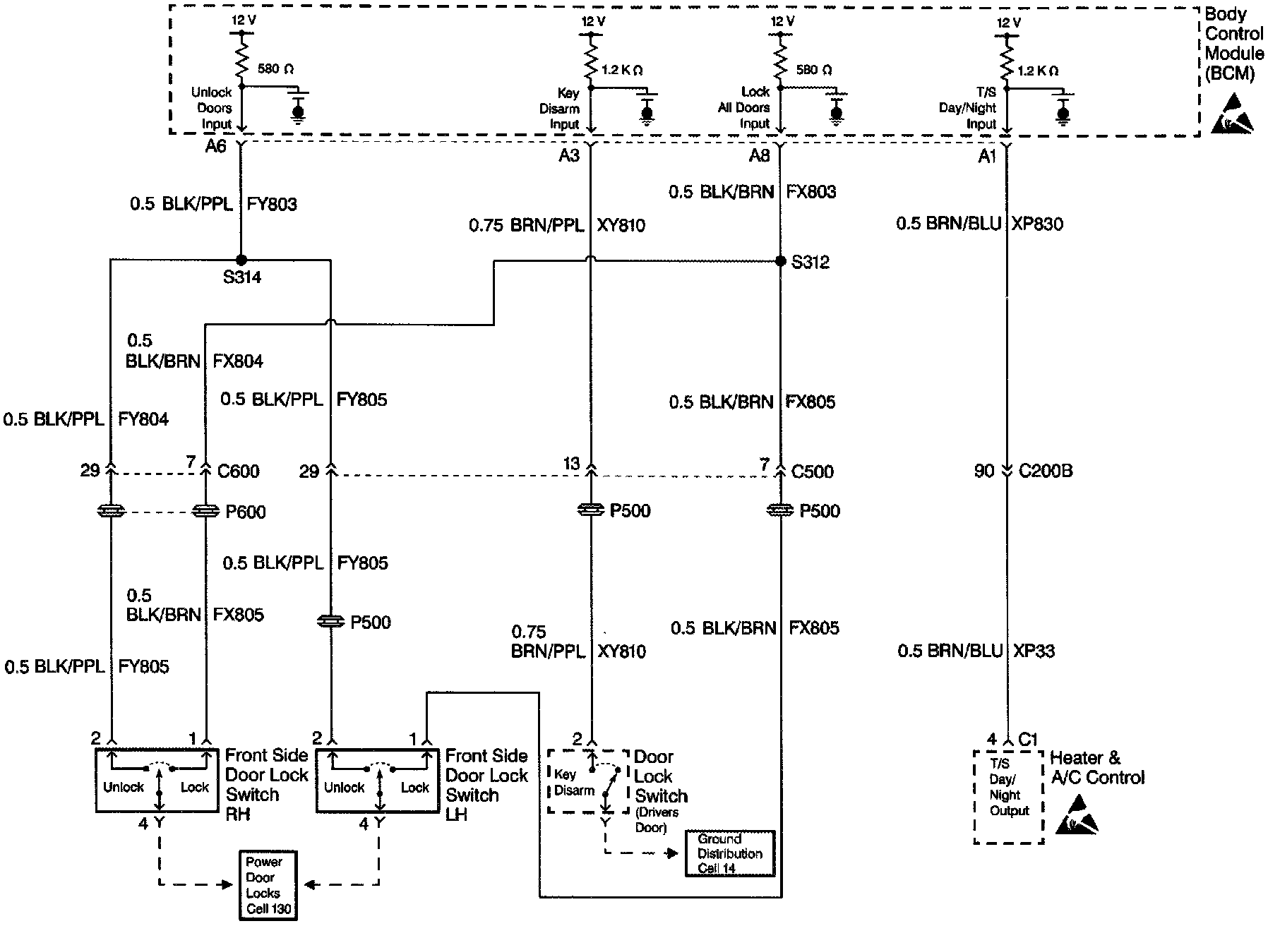
Solar/Twilight, RH and LH FR Side Door Lock SW Inputs
Solar/Twilight, RH and LH FR Side Door Lock SW Inputs
Body Control Module Schematics: Solar/Twilight, RH And LH FR Side Door Lock SW Inputs: