Curiosii for ever!: Car repair manuals for everyone.

Sender/Switch Housing Replacement

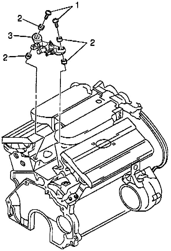
REMOVE OR DISCONNECT
1. Disconnect the negative battery cable.
2. Remove the air intake plenum and intake manifold.





3. Disconnect the electrical connectors at the following locations:
^ The engine coolant temperature sender (2)
^ The engine coolant temperature sensor (4)
4. Remove the throttle body and heater inlet hoses from the engine coolant bridge.
5. Remove the engine coolant temperature sender (2).
6. Remove the engine coolant temperature sensor (4) and seal (5).
7. Remove the throttle body inlet hose fitting (3), if necessary.





8. Remove the bridge bolts and upper seals (2).
9. Remove the bridge and lower seals (2).

INSTALL OR CONNECT
1. Install the engine coolant bridge:
^ Position the bridge.
^ Slide the upper seals (2) onto the bolts.
^ Insert the bolts (1) into the bridge.
^ Slide the lower seals (2) onto the bolts. Tighten the bolts to 30 Nm (22 ft. lbs.).
2. Install the throttle body inlet hose fitting until fully seated and not stripped.
3. Install the engine coolant temperature sensor (4) and seal (5). Tighten the sensor to 25 Nm (18 ft. lbs.).
4. Install the engine coolant temperature sender (2). Tighten the sender to 20 Nm (15 ft. lbs.).
5. Install the throttle body and heater inlet hoses to the bridge.
6. Connect the electrical connectors at the following locations:
^ The engine coolant temperature sensor (4)
^ The engine coolant temperature sender (2)
7. Install the intake manifold and air intake plenum.
8. Connect the battery negative cable.
9. Reprogram all accessories as necessary after connecting the battery.