Curiosii for ever!
: Car repair manuals for everyone.
Home
>>
Cadillac
>>
1997
>>
Catera V6-3.0L VIN R
>>
Repair and Diagnosis
>>
Diagrams
>>
Exploded Views
>>
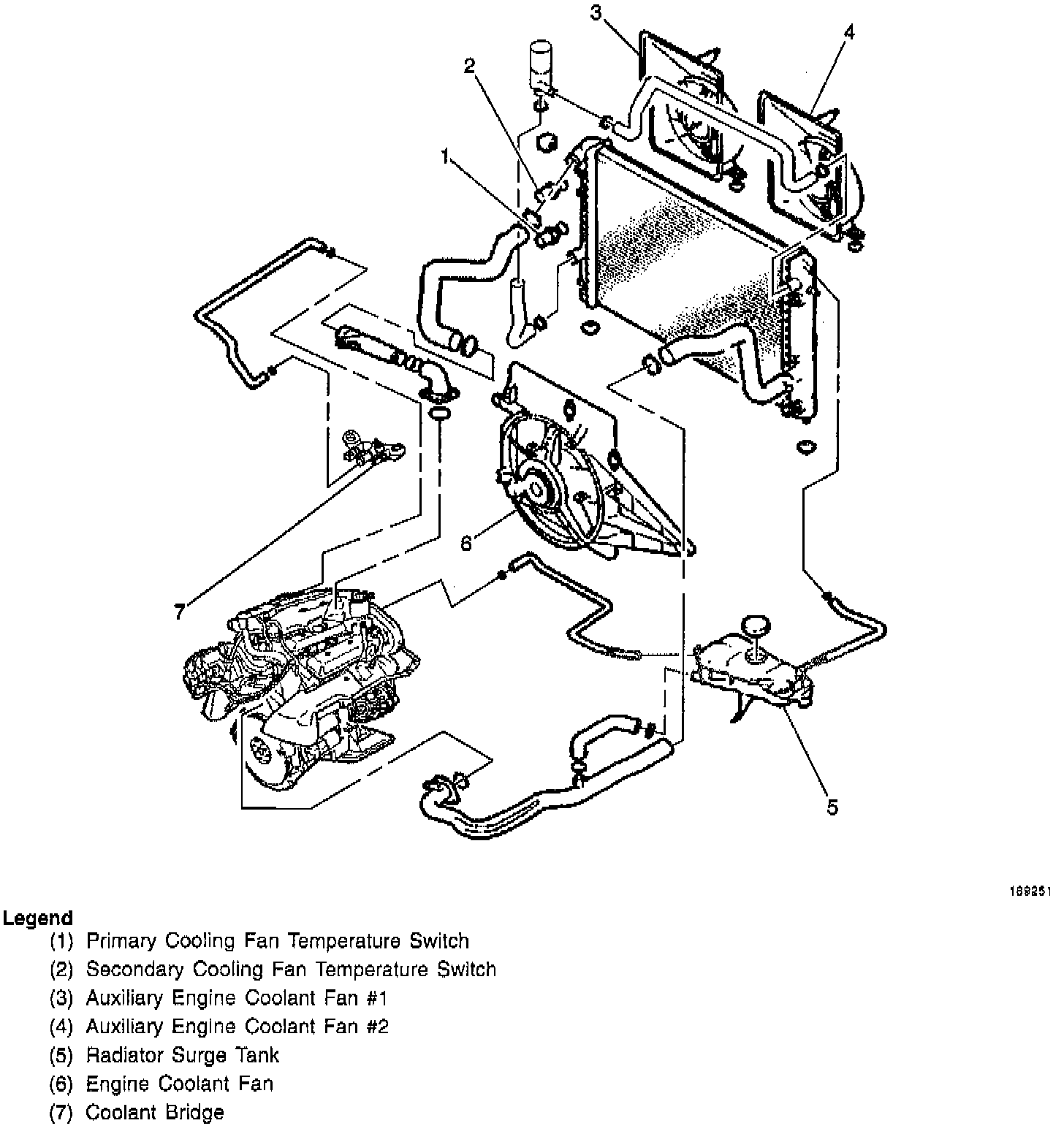
Cooling System
Cooling System
Engine Cooling System: