Curiosii for ever!
: Car repair manuals for everyone.
Home
>>
Cadillac
>>
1996
>>
DeVille Concours V8-4.6L VIN 9
>>
Repair and Diagnosis
>>
Relays and Modules
>>
Relays and Modules - Restraints and Safety Systems
>>
Air Bag Control Module
>>
Locations
>>
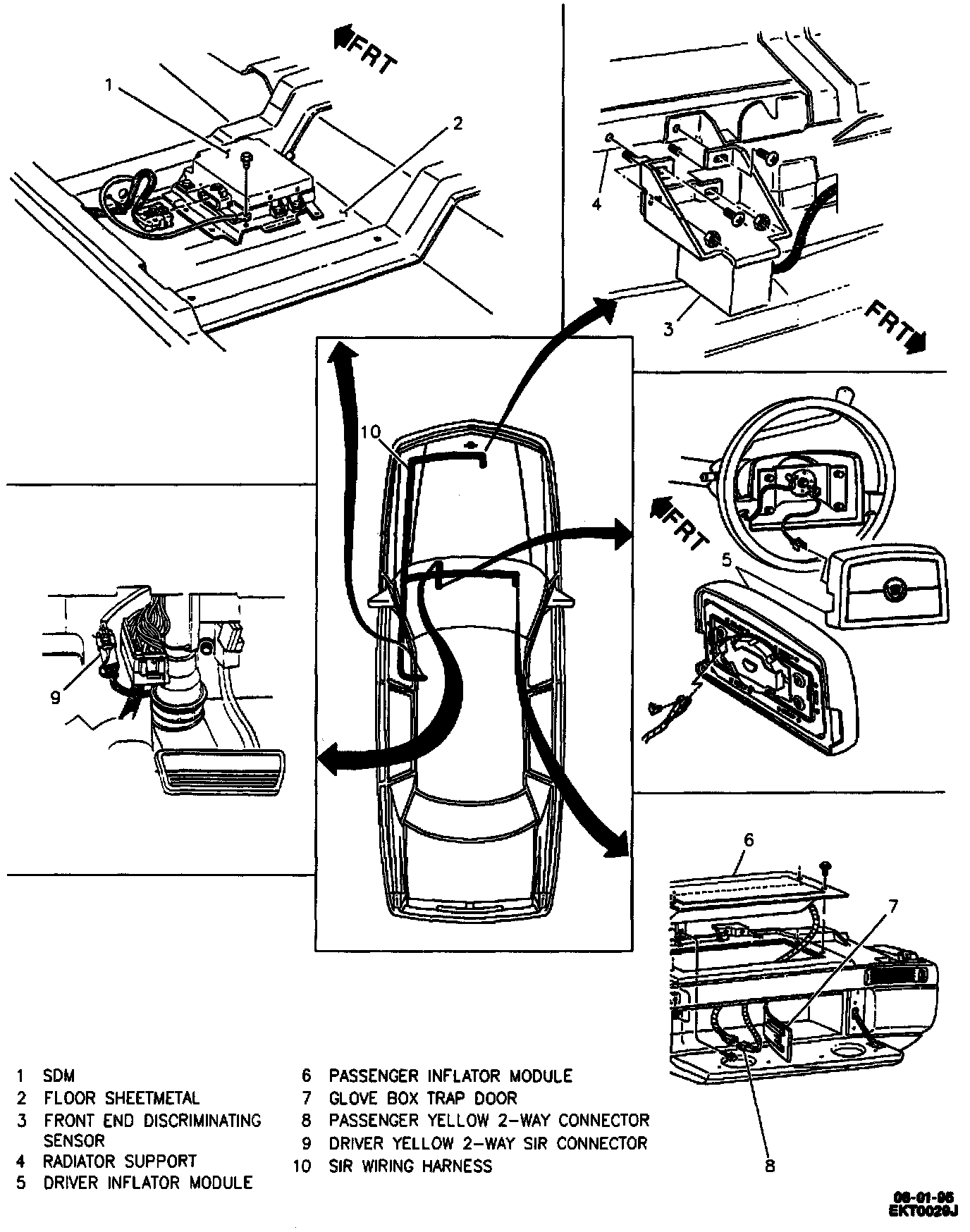
System Component Locations
System Component Locations
Description: