Curiosii for ever!
: Car repair manuals for everyone.
Home
>>
Cadillac
>>
1995
>>
Seville V8-4.6L VIN Y
>>
Repair and Diagnosis
>>
Diagrams
>>
Components
>>
Modules
>>
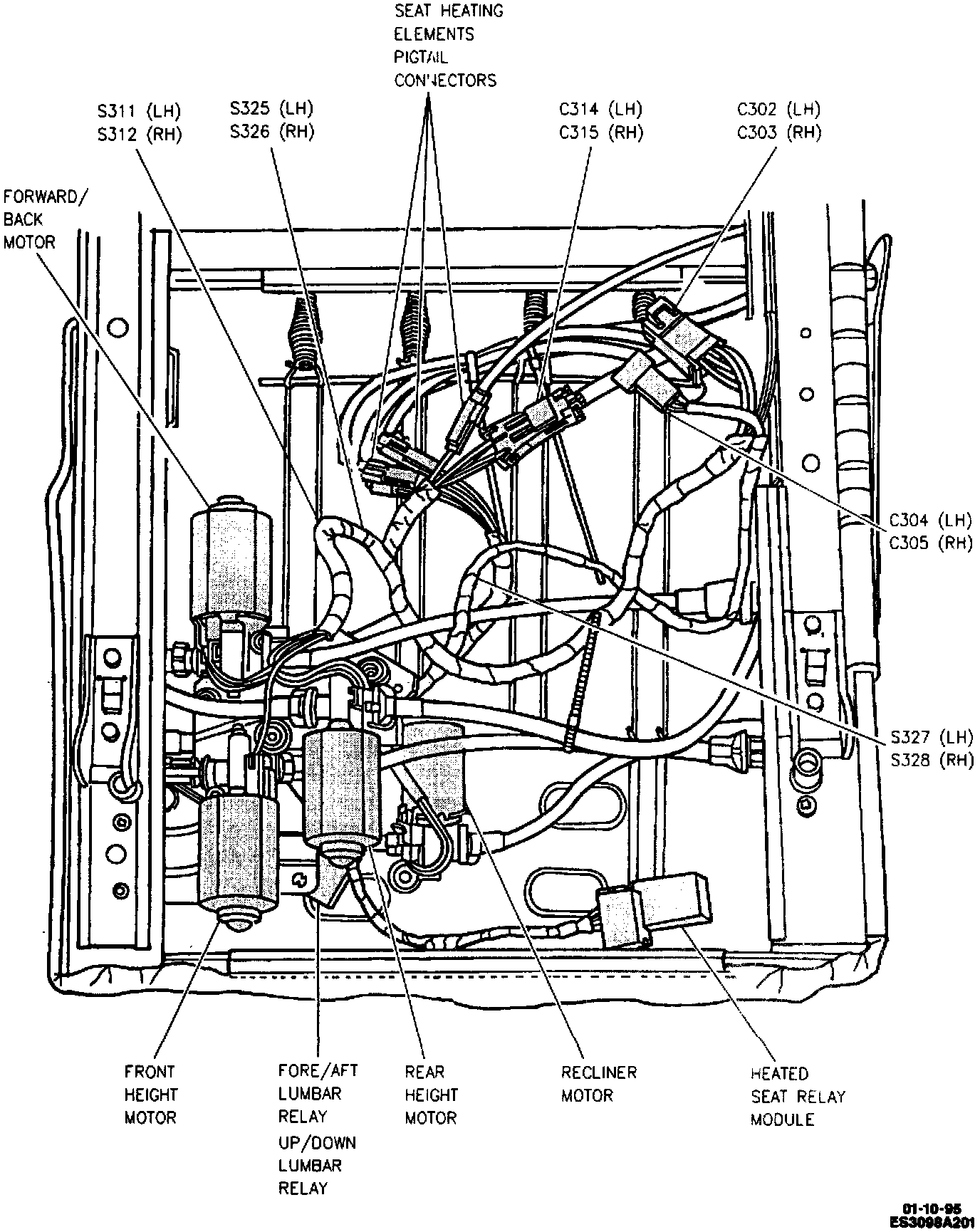
Heated Seat Relay Module
Heated Seat Relay Module
Front Driver Seat: