Curiosii for ever!
: Car repair manuals for everyone.
Home
>>
Cadillac
>>
1995
>>
DeVille V8-4.9L VIN B
>>
Repair and Diagnosis
>>
Powertrain Management
>>
Computers and Control Systems
>>
Engine Control Module
>>
Locations
>>
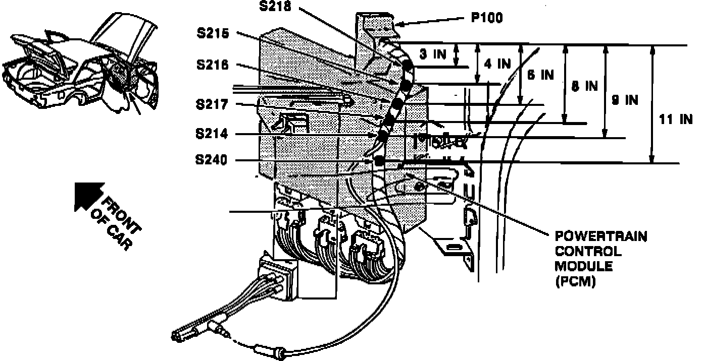
Assembly View
Assembly View
Component Location Pictorial View:
Behind RH Side Of I/P:
Behind RH side of I/P, top of kick panel.