Curiosii for ever!
: Car repair manuals for everyone.
Home
>>
Cadillac
>>
1994
>>
Fleetwood V8-5.7L VIN P
>>
Repair and Diagnosis
>>
Diagrams
>>
Components
>>
Miscellaneous Components
>>
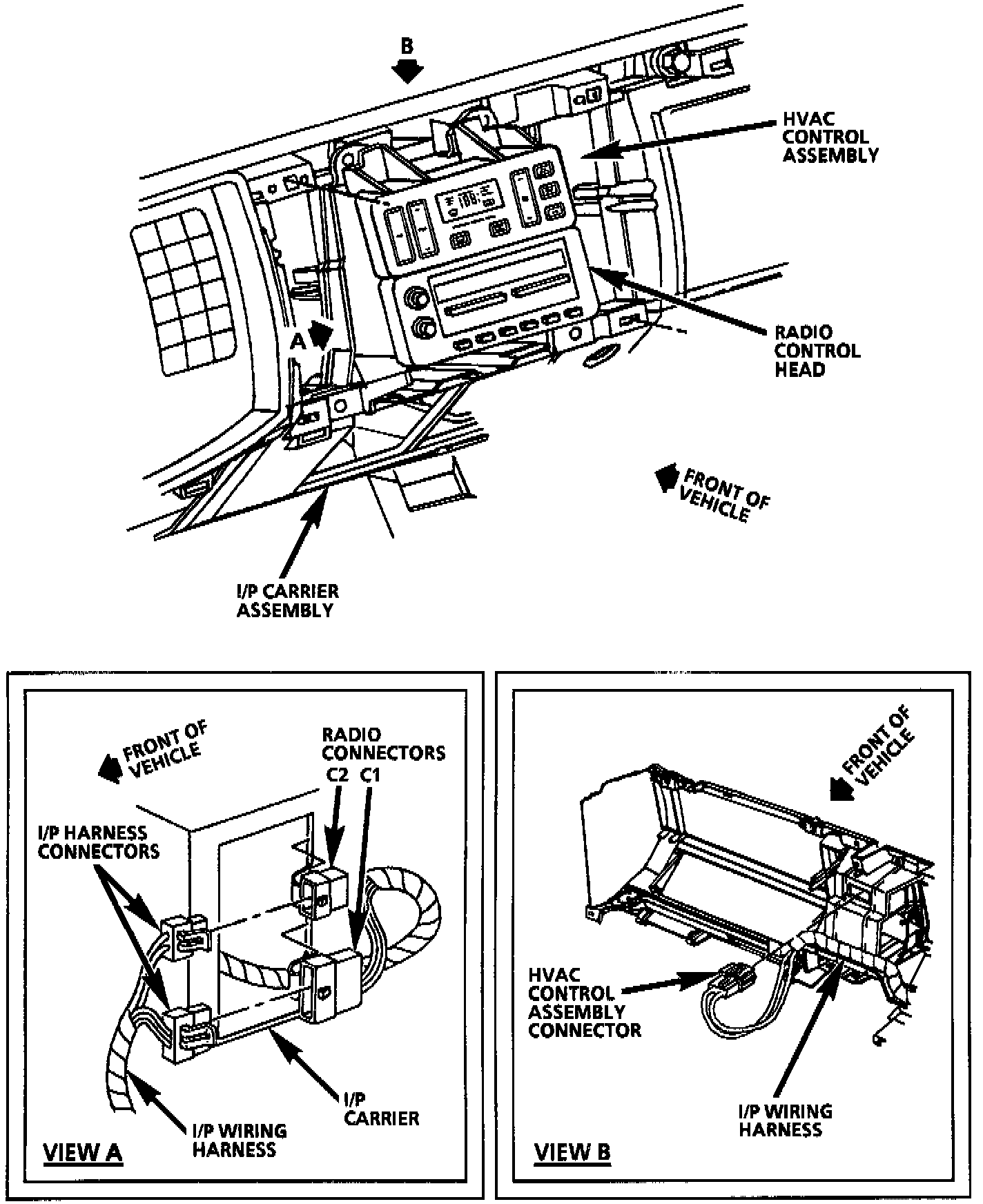
HVAC Control Assembly
HVAC Control Assembly
Front Of Instrument Panel: