Curiosii for ever!: Car repair manuals for everyone.

Selector Switch Replace

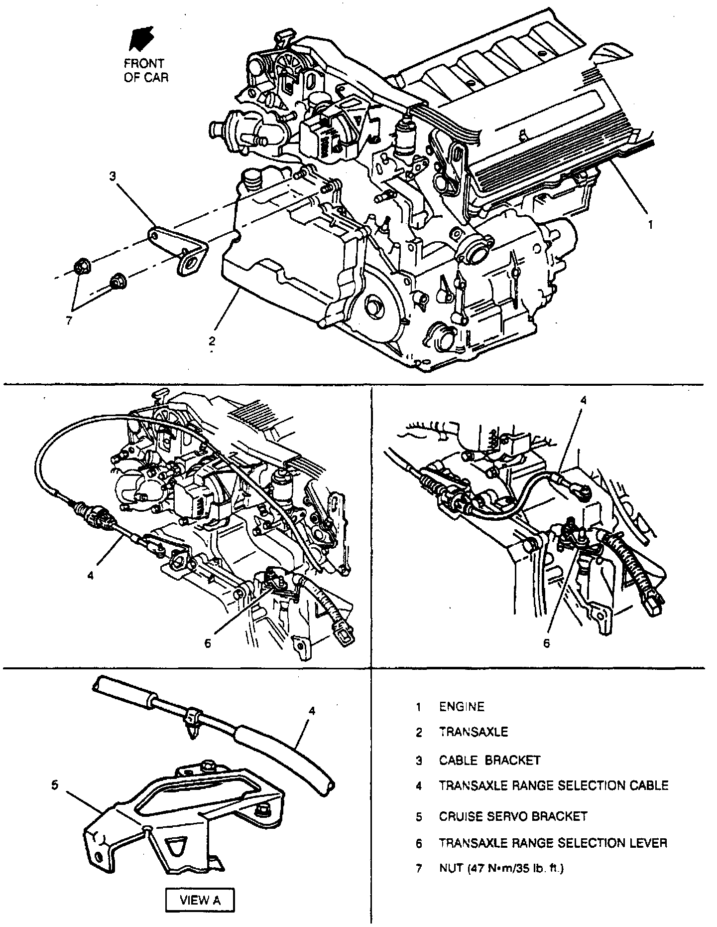
REMOVAL

1. Remove air cleaner duct and housing, then disconnect shifter cable at lever on transaxle manual shaft.




2. Disconnect shifter cable from transaxle, then remove shifter cable bracket.

3. Remove retaining nut and transaxle manual shaft lever.




4. Disconnect electrical connector and hose, then remove retaining bolts and transaxle range switch.


INSTALLATION

1. Install transaxle range switch and retaining bolts finger tight, then rotate transaxle manual shaft to Neutral position.




2. Rotate range switch so service gauge pin can be installed Torque transaxle range switch bolts to 106 inch lbs.

3. Remove service gauge pin, then connect electrical connector and hose.

4. Install transaxle manual shaft lever and torque retaining nut to 15 ft. lbs.

5. Install shift cable bracket onto transaxle, then connect cable.

6. Install shift cable at lever on transaxle manual shaft.

7. Install air cleaner duct and housing.