Curiosii for ever!: Car repair manuals for everyone.

Electronic/Powertrain Control Module (ECM/PCM)

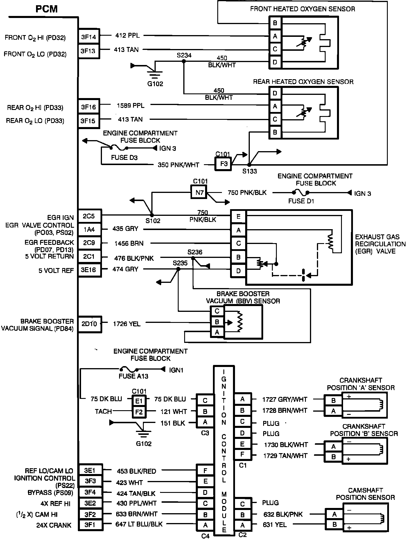
PCM Wiring:






1B1 = INJECTOR 1
1A8 = INJECTOR 4
1A14 = INJECTOR 6
1A2 = INJECTOR 7
1B2 = INJECTOR 2
1A3 = INJECTOR 3
1A11 = INJECTOR 5
1A16 = INJECTOR 8
2C11 = IAT SENSOR SIGNAL
2D1 = 5 VOLT RETURN
1B9 = MAP SENSOR SIGNAL
3E16 = 5 VOLT REF
1B15 = TP SENSOR SIGNAL
2C1 = 5 VOLT RETURN
1B5 = ECT SENSOR SIGNAL
2C2 = GROUND
2C3 = GROUND
2D2 = GROUND
2D3 = GROUND



PCM Wiring:






3F14 = FRONT O2 HI
3F13 = FRONT O2 LO
3F16 = REAR O2 HI
3F15 = REAR O2 LO
2C5 = EGR IGN
1A4 = EGR VALVE CONTROL
2C9 = EGR FEEDBACK
2C1 = 5 VOLT RETURN
3E16 = 5 VOLT REF
2D10 = BRAKE BOOSTER VACUUM SIGNAL
3E1 = IGNITION REF LO/CAM LO
3F3 = IGNITION CONTROL
3F4 = IGNITION BYPASS
3E2 = IGNITION 4X REF HI
3F2 = IGN (1/2 X) CAM HI
3F1 = IGNITION 24X CRANK



PCM Wiring:






2D5 = IGNITION 1
2C8 = CRANKING FUEL ENABLE INPUT
3E6 = STARTER INHIBIT OUTPUT
2C6 = DESIRED TORQUE INPUT
3E11 = DELIVERED TORQUE INPUT
3F11 = LIFT/DIVE SIGNAL OUTPUT
1B12 = VSS OUTPUT / 4000 PULSES PER MILE
206 = OIL LEVEL SWITCH INPUT
209 = PARK / NEUTRAL INPUT
3F5 = SERVICE ENGINE SOON MIL
1B11 = VSS OUTPUT / 4000 PULSES PER MILE
2C12 = DATA LINE INPUT/OUTPUT
2C13 = DATA LINE INPUT/OUTPUT



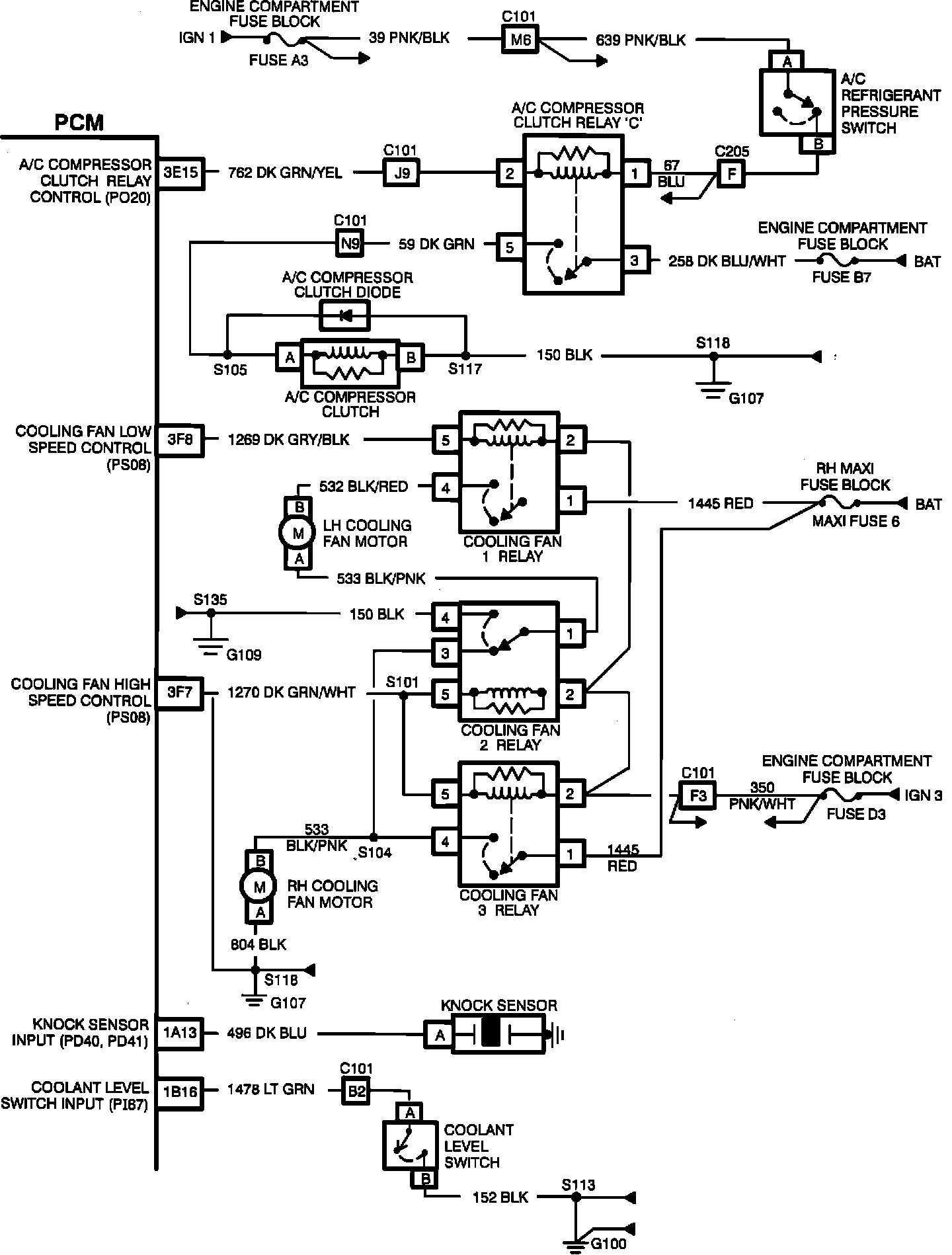
PCM Wiring:






3E15 = A/C COMPRESSOR CLUTCH RELAY
3F8 = COOLING FAN LOW SPEED CONTROL
3F7 = COOLING FAN HIGH SPEED CONTROL
1A13 = KNOCK SENSOR INPUT
1B16 = COOLANT LEVEL SWITCH INPUT



PCM Wiring:






1B3 = TRANSAXLE SPEED INPUT HI
1B4 = TRANSAXLE SPEED INPUT LO
1B7 = VEHICLE SPEED OUTPUT / 2000 PULSES PER MILE
1A10 = VEHICLE SPEED INPUT HI
1B10 = VEHICLE SPEED INPUT LO
1B14 = TRANSAXLE TEMP INPUT
2D1 = 5 VOLT RETURN
1B8 = TRANSAXLE RANGE INPUT
1A7 = TRANSAXLE RANGE INPUT
1A6 = TRANSAXLE RANGE INPUT
2D8 = THROTTLE POSITION SWITCH INPUT
3E9 = ISC MOTOR CONTROL
3E10 = ISC MOTOR CONTROL
2C16 = TRANSAXLE PRESSURE CONTROL SOLENOID CONTROL
2C15 = TRANSAXLE PRESSURE CONTROL SOLENOID ENABLE



PCM Wiring:






2C4 = BATT
2D4 = BATT
1A15 = FUEL PUMP RELAY CONTROL
1B13 = FUEL PUMP FEEDBACK
2D7 = FAST IDLE REQUEST INPUT
3F9 = SERVO POS SENSOR INPUT HI
3F10 = SERVO POS SENSOR INPUT LO
1A9 = C/C VAC
1A12 = C/C VENT
2D15 = SET/COAST INPUT
2D16 = RESUME/ACCEL INPUT
2D14 = CRUISE ENABLE INPUT
2D12 = STOP/BTSI/CRUISE BRAKE SW INPUT



PCM Wiring:






3E4 = SHIFT "A" SOLENOID CONTROL
3E5 = SHIFT "B" SOLENOID CONTROL
3E12 = EVAP EMISSION CONTROL SOLENOID
1A5 = POWER STEERING PRESSURE SWITCH
2C7 = EXTENDED TRAVEL BRAKE SWITCH INPUT
2D13 = [1][2]TORQUE CONVERTER CLUTCH BRAKE INPUT
3E13 = TORQUE CONVERTER SOLENOID CONTROL
2C14 = GENERATOR CONTROL FEEDBACK