Curiosii for ever!
: Car repair manuals for everyone.
Home
>>
Cadillac
>>
1993
>>
Seville V8-281 4.6L
>>
Repair and Diagnosis
>>
Powertrain Management
>>
Computers and Control Systems
>>
Manifold Pressure/Vacuum Sensor
>>
Locations
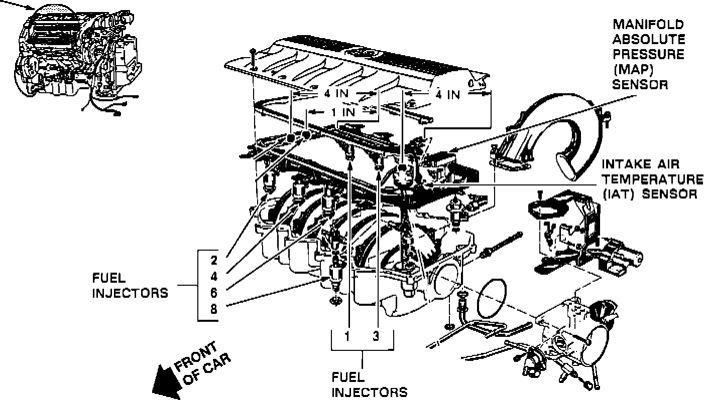
Manifold Pressure/Vacuum Sensor: Locations
Pictorial View:
Top LH side of engine, under intake manifold cover.