Curiosii for ever!: Car repair manuals for everyone.

Electronic/Powertrain Control Module (ECM/PCM)

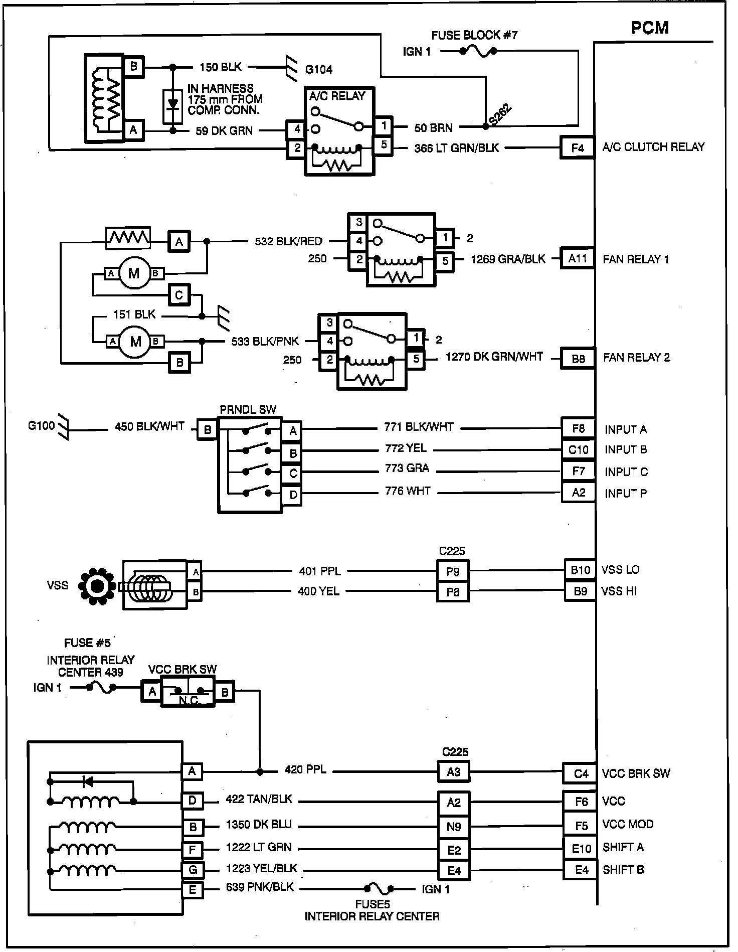
PCM Wiring Diagram - Part 1 Of 4:






D13 = Injector #2
C12 = Injector #8
D16 = Injector #3
D15 = Injector #5
C15 = Injector #4
C13 = Injector #6
C11 = Injector #1
D14 = Injector #7
E16 = COOLANT SENSOR
E11 = 5 VOLT RETURN - TPS/CTS
F13 = TPS
C14 = 5 VOLT REF
F15 = MAP
A5 = 5 VOLT RETURN - MAT/MAP
F16 = MAT
A12 = PCM GRD
D1 = PCM GRD
D6 = PCM GRD
D7 = PCM GRD


PCM Wiring Diagram - Part 2 Of 4:






B1 = BAT
C16 = BAT
A6 = IGN 1
C5 = CAM HI
C8 = EST
D9 = CAM LO/REF LO
C7 = BYPASS
D8 = REF HI
E13 = FUEL PUMP FEEDBACK
F1 = FUEL PUMP RELAY
A7 = THROTTLE SWITCH
E2 = ISC LO
E1 = ISC HI
E14 = O2 SENSOR
E15 = O2 SENSOR GRD


PCM Wiring Diagram - Part 3 Of 4:






F4 = A/C CLUTCH RELAY
A11 = RAN RELAY 1
B8 = FAN RELAY 2
F8 = INPUT A - PRNDL
C10 = INPUT B - PRNDL
F7 = INPUT C - PRNDL
A2 = INPUT PARITY - PRNDL
B9 = VSS LO
B10 = VSS HI
C4 = VCC BRAKE SW
F6 = VCC
F5 = VCC MOD
E10 = SHIFT A
E4 = SHIFT B


PCM Wiring Diagram - Part 4 Of 4:






B3 = C/C POS HI
B4 = C/C POS LO
F3 = C/C VAC
F2 = C/C VENT
D3 = C/C SET/COAST
C3 = C/C RESUME/ACCEL
D2 = C/C ON/OFF
C2 = C/C BRAKE
E7 = CANISTER PURGE
A1 = EGR
C9 = POWER STEERING SW
A10 = SERVICE ENGINE SOON LIGHT
B11 = I.P. VEHICLE SPEED PULSES
E6 = COMPUTER COMMAND RIDE
B12 = COMPUTER COMMAND RIDE 4K PPM
D12 = HEATED WINDSHIELD
E3 = SERIAL DATA IN
E5 = SERIAL DATA OUT
F10 = PASSKEY MODULE
E12 = FIXED SPARK SET TIMING
A8 = UART SERIAL DATA