Installation
Body Control Module:
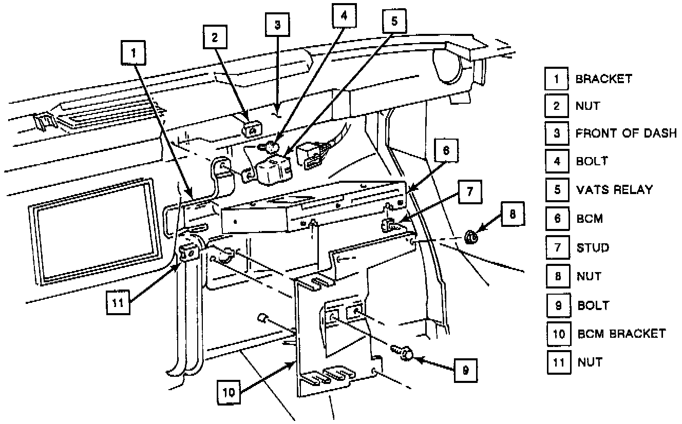
INSTALL OR CONNECT
1. Electrical connector and slide Body Control Module (BCM) into position.
2. Diagnostic and Energy Reserve Module (DERM) / Body Control Module (BCM) bracket and screw.
- Tighten screw to 1.5 Nm (13 lbs. in.).
3. Nuts onto BCM stud.
- Tighten nuts to 3.7 Nm (33 lbs. in.).
4. Bracket retaining clip to Instrument Panel (IP) wiring harness.
5. DERM into bracket and nuts.
- Tighten Nuts to 4 Nm (33 lbs. in.).
6. Dual sensor pigtail wiring and resistor module to BCM studs and nuts.
- Tighten Nuts to 4 Nm (33 lbs. in.).
7. Glove box module.
8. Right sound insulator.
- Enable the Supplemental Inflatable Restraint (SIR) system. Refer to Air Bags (Supplemental Restraint Systems).