Curiosii for ever!
: Car repair manuals for everyone.
Home
>>
Cadillac
>>
1992
>>
Fleetwood FWD V8-300 4.9L
>>
Repair and Diagnosis
>>
Diagrams
>>
Components
>>
Modules
>>
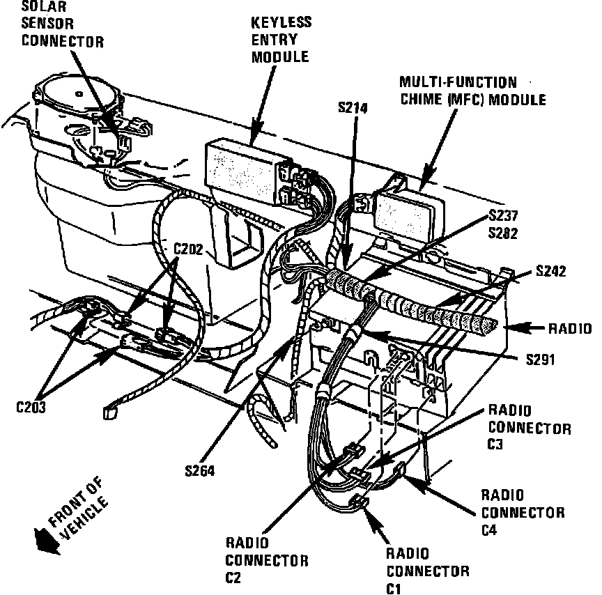
Keyless Entry Module
Keyless Entry Module
Behind RH Side Of I/P:
Behind RH Side Of I/P, Above Glove Box
Applicable to: DeVille & Fleetwood