Curiosii for ever!
: Car repair manuals for everyone.
Home
>>
Cadillac
>>
1992
>>
Fleetwood FWD V8-300 4.9L
>>
Repair and Diagnosis
>>
Accessories and Optional Equipment
>>
Antitheft and Alarm Systems
>>
Keyless Entry
>>
Keyless Entry Module
>>
Locations
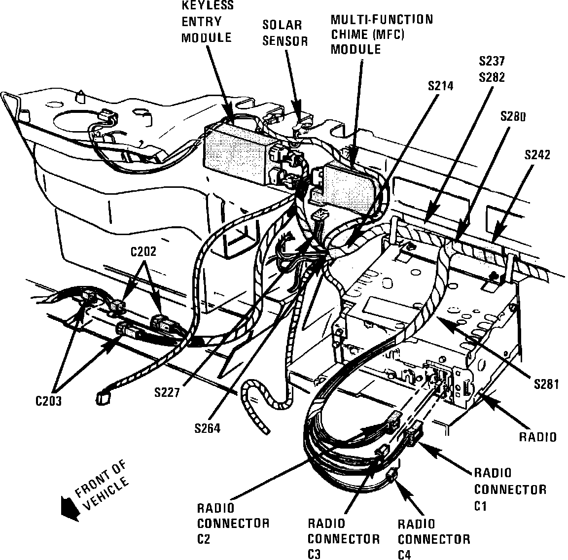
Keyless Entry Module: Locations
Component Location View. Behind RH Side of I/P:
The remote keyless entry module is located behind the R/H side of the I/P, above the glove box.