Curiosii for ever!
: Car repair manuals for everyone.
Home
>>
Cadillac
>>
1991
>>
Seville V8-300 4.9L
>>
Repair and Diagnosis
>>
Powertrain Management
>>
Diagrams
>>
Electrical Diagrams
>>
Powertrain Controls
>>
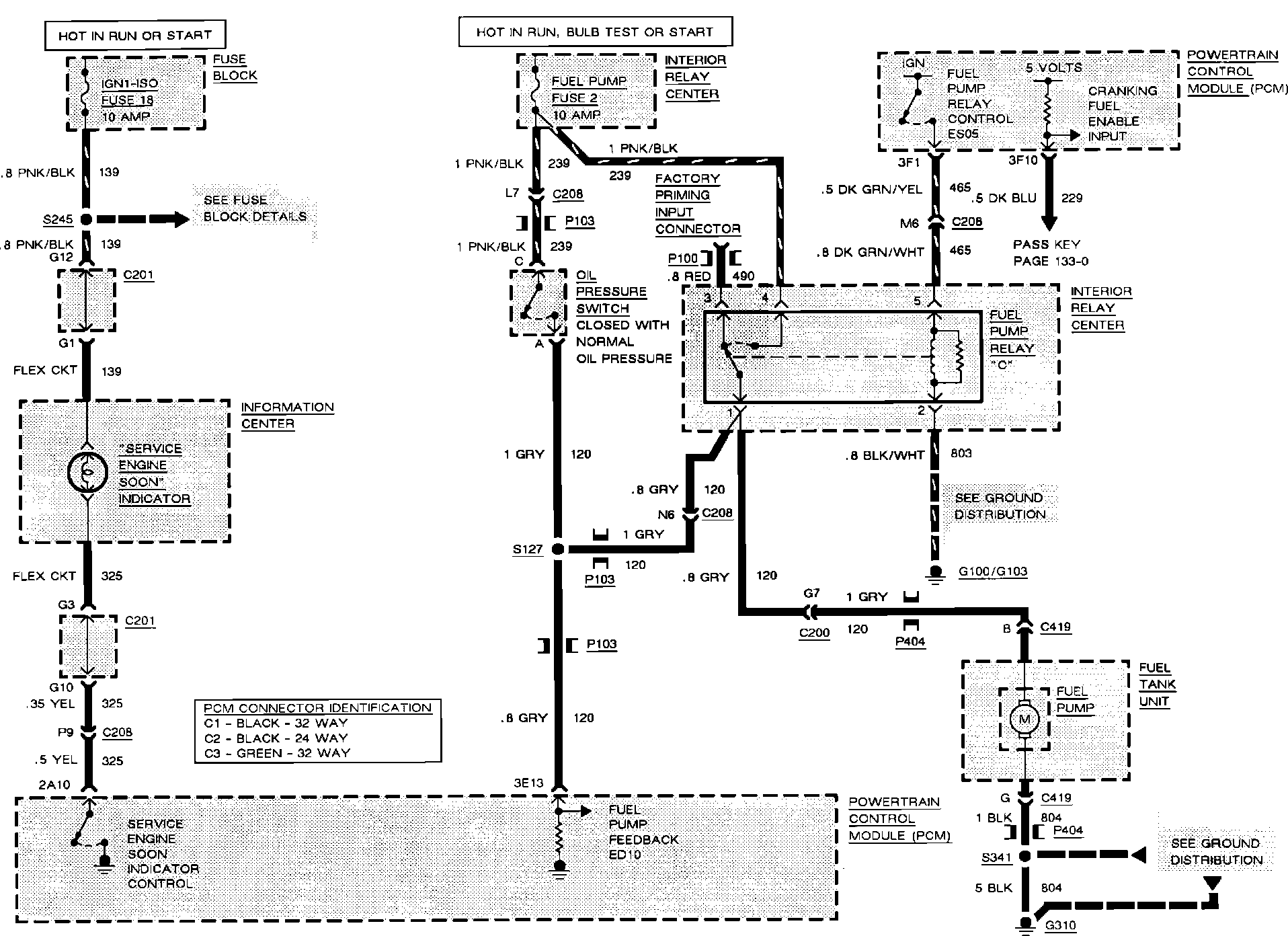
Fuel Pump Control
Fuel Pump Control
Port Fuel Injection. Service Engine Soon Indicator & Fuel Pump Control: