Curiosii for ever!: Car repair manuals for everyone.

Electronic/Powertrain Control Module (ECM/PCM)

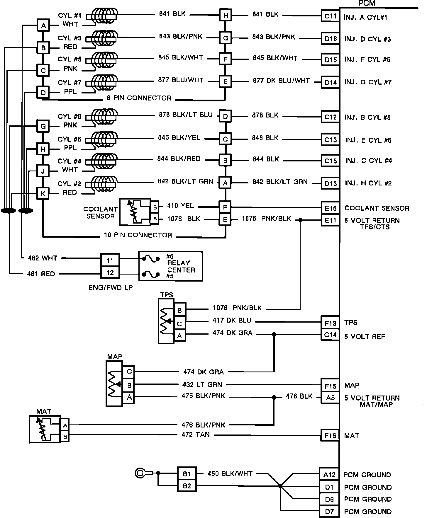
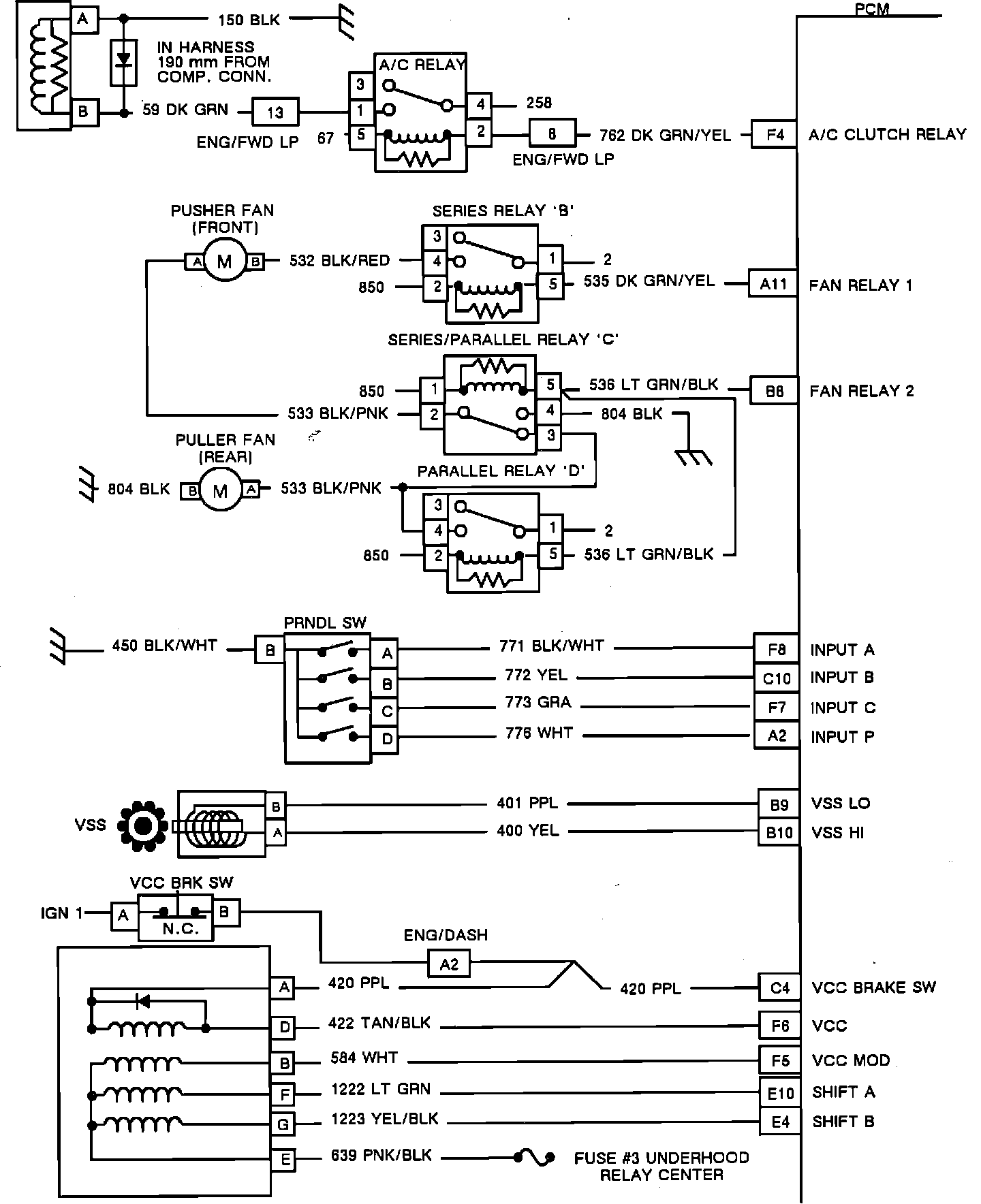
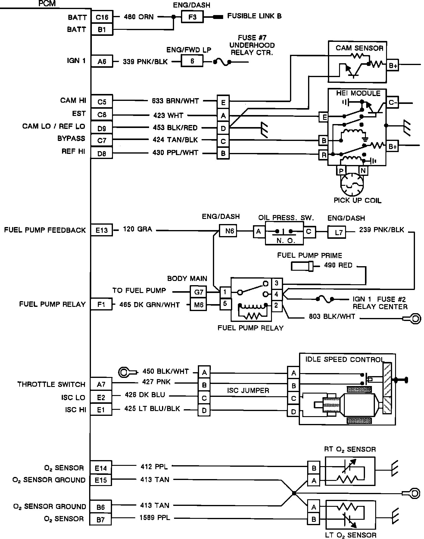
PCM Wiring Diagram:






B8 = Coolant Signal
D13 = TPS/CTS 5 Volt Return
D7 = TPS Signal
C13 = TPS/MAP 5 Volt Reference
D6 = MAP Signal
D12 = MAP/MAT 5 Volt Return
B12 = Transmission Temperature
B10 = MAT Signal
B2 = Ignition 1 Reference
A1 = Oxygen Sensor Signal
A4 = Oxygen Sensor Ground
A8 = Park/Neutral Input
A7 = Distributor Reference Low
C7 = Distributor Reference High
D5 = EST Output
C5 = Bypass
C2 = EGR
D3 = AIR Switch
C4 = AIR Divert
D8 = Power Steering Pressure Switch
A10 = Canister
A6 = Ignition 1
D16 = Injector A
D15 = Injector B
B3 = Crank
C6 = A/C Relay



PCM Wiring Diagram:






C16 = Battery Memory
B1 = Battery Memory
A12 = Ground
D1 = Ground
C10 = Throttle Switch
C14 = ISC Retract
C15 = ISC Extend
A3 = Calibration Timer Module
D14 = Fuel Pump Relay Drive
D9 = Fuel Pump Feedback
B4 = C/C Set/Coast
B6 = C/C Resume/Accelerate
C12 = C/C Enable
D4 = C/C Engage
B5 = C/C Brake
A11 = VCC Solenoid
A5 = 3rd Gear Switch
B7 = 4th Gear Switch
B11 = ALDL Request
C3 = Service Soon
C1 = Service Now
A9 = Coolant Overtemperature
D10 = C/C Vacuum
D11 = C/C Vent
C11 = Data ECM-BCM
C9 = Data ECM-BCM
C8 = VSS Input



PCM Wiring Diagram:






PCM Wiring Diagram: