Curiosii for ever!: Car repair manuals for everyone.

Input Test EI82 - Cruise Control on/Off Switch

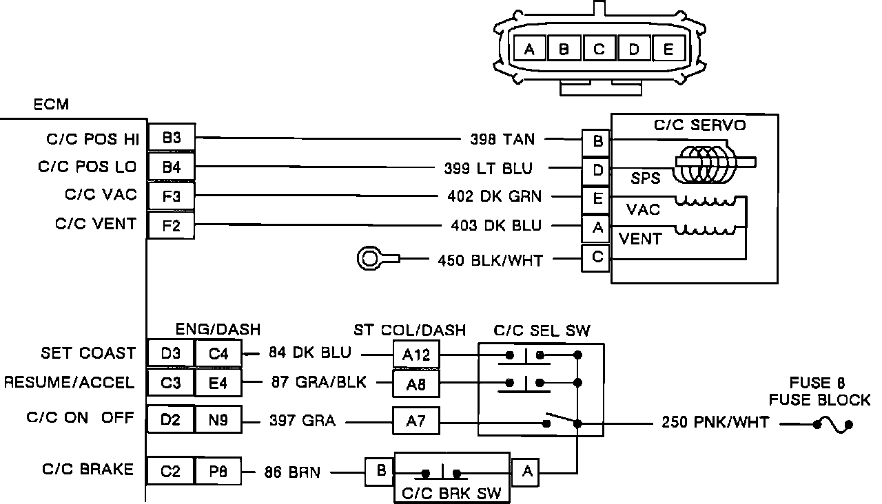
Input Test EI82:




Cruise Control Circuit:






DISPLAY CONFIGURATION:

After the diagnostic trouble codes have been displayed, the Driver Information Center (DIC) will display "ECM?". Depress the HI blower button. The display will change to read PCM/ECM data. Depress the LO blower button. The display will change to read PCM/ECM inputs. Depress the HI blower button. The display will change to read C/C BRAKE EI70. Place the cruise control ON/OFF switch in the ON position. Depress the LO blower button four times. The display will change to read LO 0 C/C ON/OFF EI82. When the cruise control ON/OFF switch is placed in the ON position the display will change to read HI X. The change from 0 to X indicates that the test has been successfully completed.

TEST DESCRIPTION:

This test detects the close and open of the cruise switch located on the cruise control stalk switch mounted on the dash at terminal D2 of the PCM/ECM.

NOTE: This test should be performed before attempting tests EI83 and EI84. This test verifies that there is power to the switches and PCM/ECM.

NOTES ON FAULT TREE:

1. "LO" indicates the ON/OFF switch is open. "HI" indicates that the switch is closed.