Curiosii for ever!
: Car repair manuals for everyone.
Home
>>
Cadillac
>>
1990
>>
DeVille V8-273 4.5L
>>
Repair and Diagnosis
>>
Diagrams
>>
Components
>>
Modules
>>
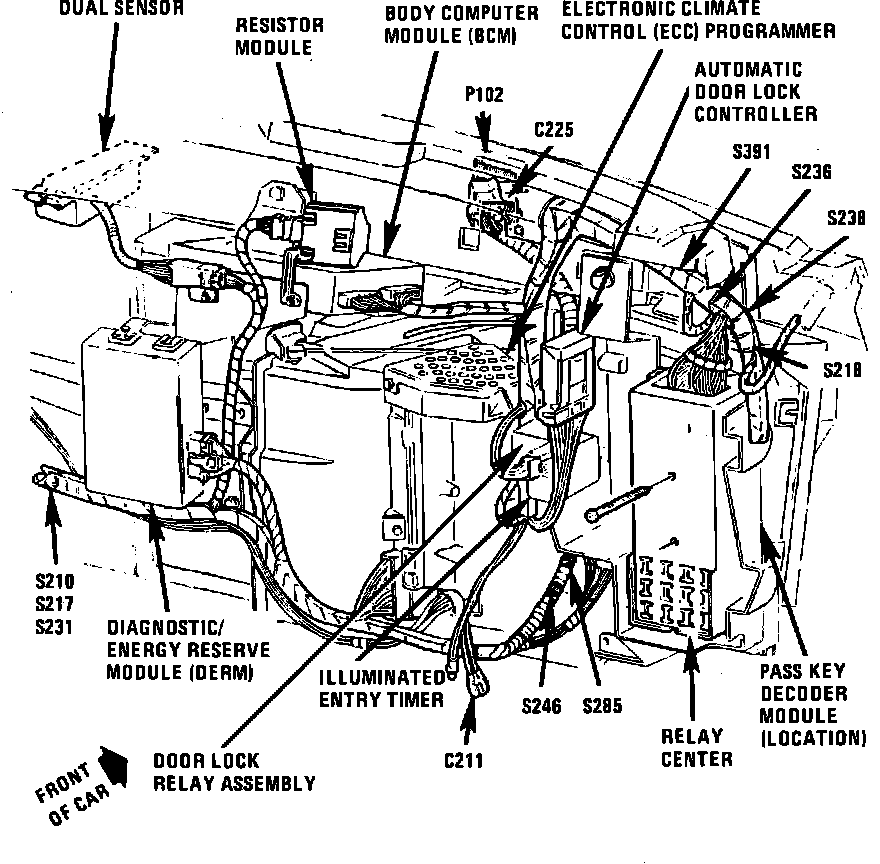
Resistor Module
Resistor Module
Resistor Module:
Behind RH Side Of I/P
Applicable to: DeVille & Fleetwood