Curiosii for ever!
: Car repair manuals for everyone.
Home
>>
Cadillac
>>
1990
>>
Allante V8-273 4.5L
>>
Repair and Diagnosis
>>
Powertrain Management
>>
Computers and Control Systems
>>
Relays and Modules - Computers and Control Systems
>>
Engine Control Module
>>
Locations
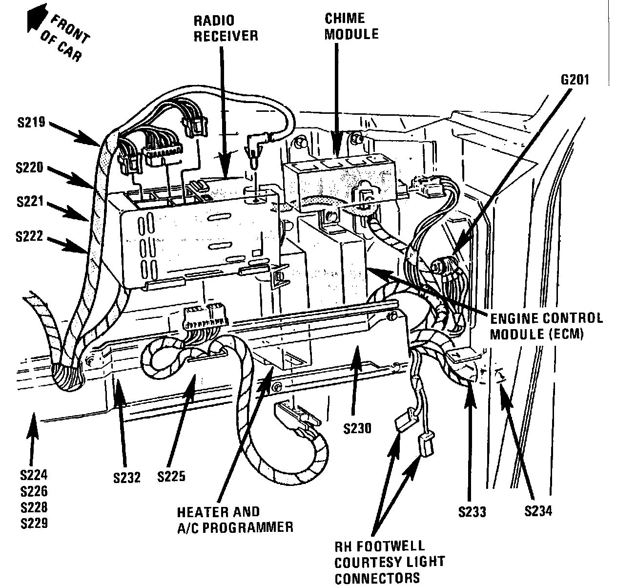
Engine Control Module: Locations
Behind RH Side Of I/P:
Behind RH side of I/P, near shroud