Curiosii for ever!: Car repair manuals for everyone.

Low Fuel Lamp

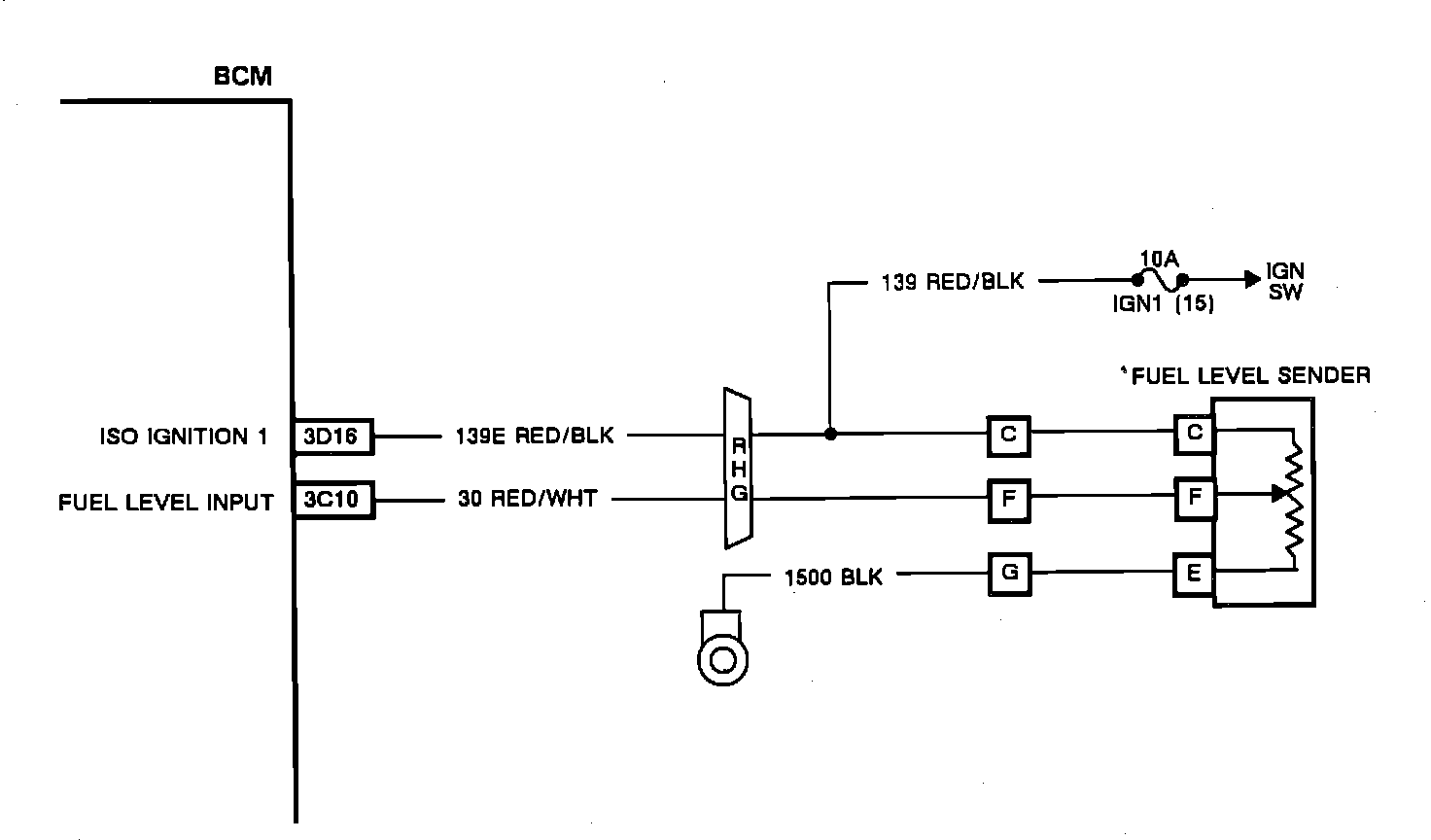
Fuel Level Circuit:






TEST CONDITION:

Ignition 1 voltage is present.

FAILURE CONDITION:

Calculated fuel level less than 2.7 gallons.

ACTION TAKEN:

Display the "Low Fuel" lamp on the IPC.

Refer to "Fuel Level Very Low" message description.