Curiosii for ever!: Car repair manuals for everyone.

All IPC PRND321 Indicators Boxed

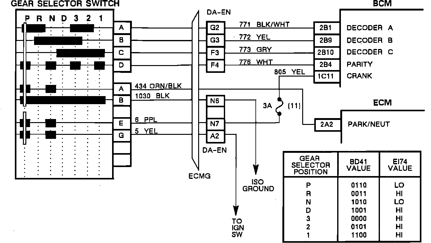
PRND321 Sensor Circuit:






TEST CONDITION:

Same as test conditions for code B127.

FAILURE CONDITION:

Same as failure conditions for code B127 except there is a shorter (1.5 second) time delay.

ACTION TAKEN:

All PRND321 boxes will light up.

Refer to code B127 for description and diagnosis.