Curiosii for ever!: Car repair manuals for everyone.

Input EI71 - VCC Brake Circuit

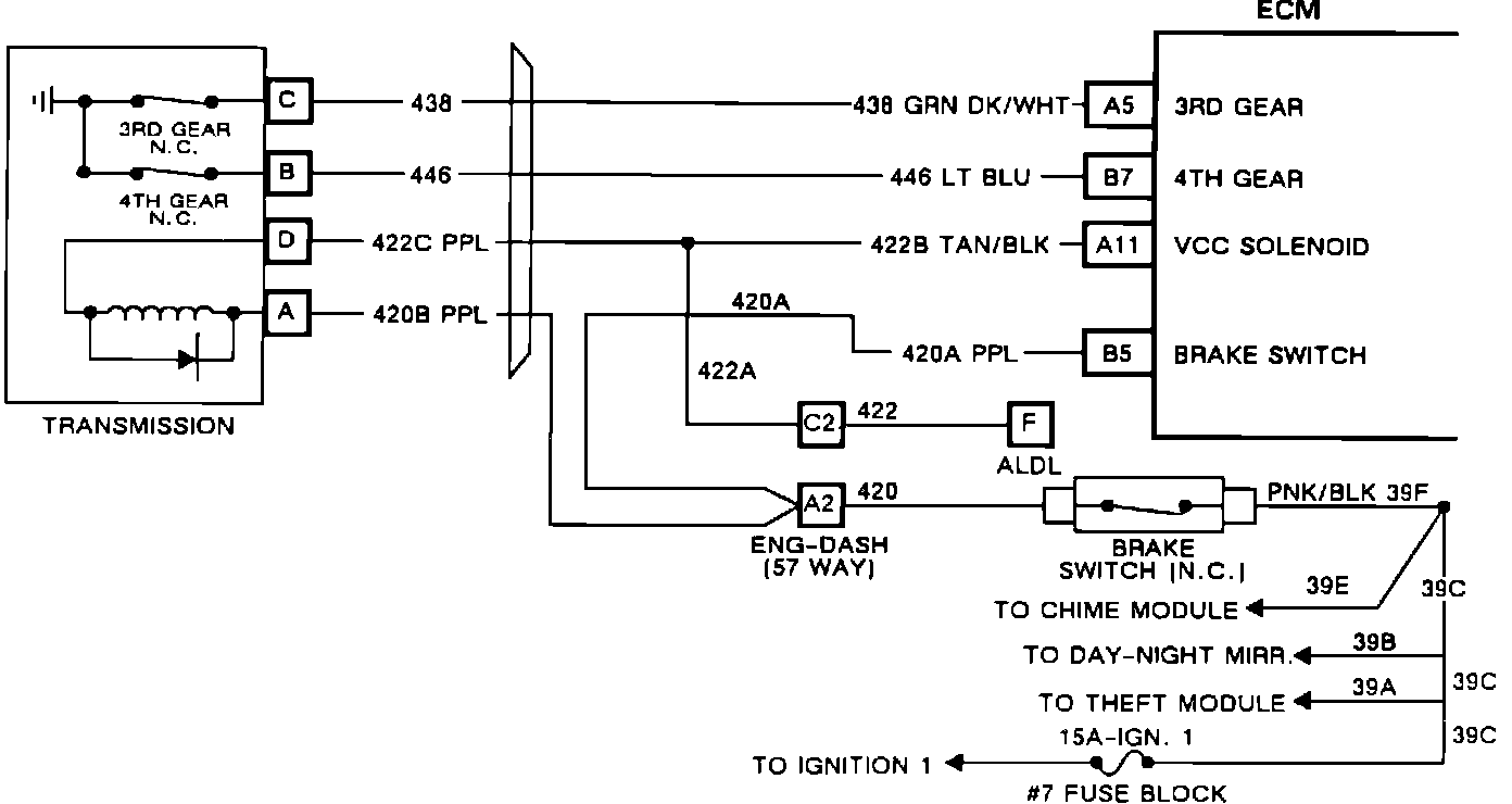
ECM Input EI71:




Transmission Circuit:





DESCRIPTION:

The VCC brake switch is normally closed and opens when the brake pedal is depressed. The VCC brake switch serves a dual function, the brake switch supplies power to the VCC solenoid and a brake switch receives 12 volts from the 15 AMP "IGN 1" fuse on CKT 39 and sends the 12 volt signal to the ECM and VCC solenoid on CKT 420. When the brake is depressed, the switch opens and CKT 420 voltage is read by the ECM as 0 volts.

On the diagnostic display, "HI" is a closed switch (not braking) while "LO" is an open switch (brake pedal depressed).

The ECM uses VCC brake input to determine braking status for VCC apply and release, as well as a test condition for many codes.

NOTES ON FAULT TREE:

1. At key on/not braking, should have 12 volts on both sides of VCC brake switch. Test light to ground should light if either pin on brake switch connector is backprobed.

2. Light on one side means that brake switch is open as if the brake pedal were depressed.

3. Light on CKT 420 with pedal depressed means that brake switch never opens.

4. Remove and replace ECM "A/B" connector and ensure that it is latched.

NOTE ON INTERMITTENTS:

Check brake switch for proper adjustment.
Check for intermittent open circuit from fuse #7 (fuse block) to brake switch (CKT 39) then from brake switch to ECM (CKT 420).

If fuse #7 is being blown intermittently, check for CKT 39 or CKT 420 for shorts to ground.