Curiosii for ever!: Car repair manuals for everyone.

Electronic/Powertrain Control Module (ECM/PCM)

ECM Wiring Diagram (Part 1 of 3):






C16 = Battery Memory
B1 = Battery Memory
A12 = Ground
D1 = Ground
C10 = Throttle Switch
C14 = ISC Retract
C15 = ISC Extend
A3 = Calibration Timer Module
D14 = Fuel Pump Relay Drive
D9 = Fuel Pump Feedback
A6 = Ignition 1
D15 = Injector A
D16 = Injector B
C1 = Engine Control System Lamp
C9 = UART
B11 = Set Timing
B3 = Crank
C8 = Speed Input 2K/M



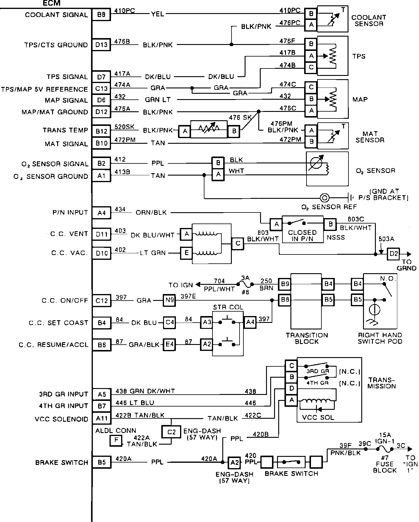
ECM Wiring Diagram (Part 2 of 3):






B8 = Coolant Signal
D13 = TPS/CTS Ground
D7 = TPS Signal
C13 = TPS/MAP 5 Volt Reference
D6 = MAP Signal
D12 = MAP/MAT Ground
B12 = Transmission Temperature
B10 = MAT Signal
B2 = Oxygen Sensor Signal
A1 = Oxygen Sensor Ground
A4 = Park/Neutral Input
D11 = C/C Vent
D10 = C/C Vacuum
C12 = C/C On/Off
B4 = C/C Set Coast
B6 = C/C Resume/Accel
A5 = 3rd Gear Input
B7 = 4th Gear Input
A11 = VCC Solenoid
B5 = Brake Switch



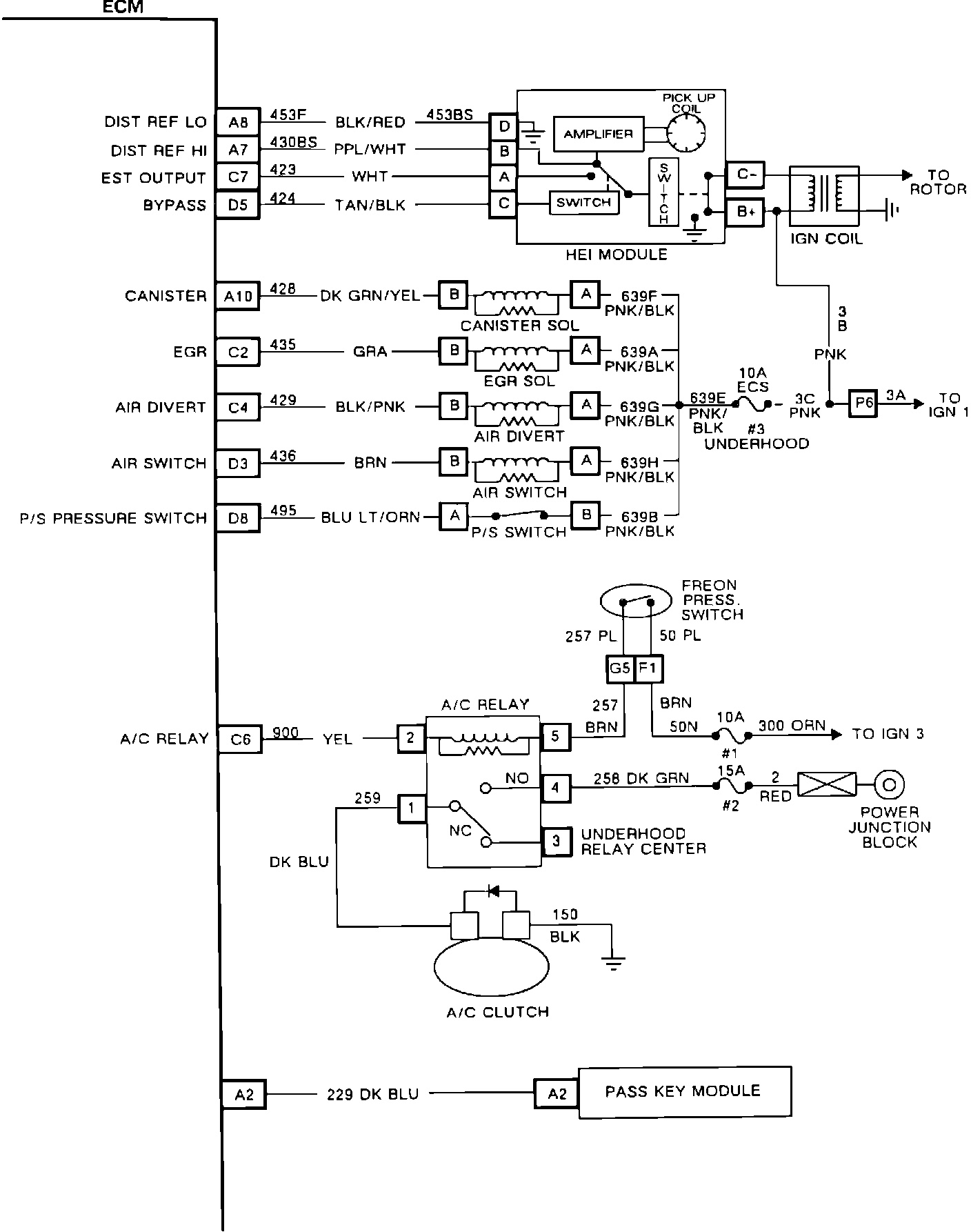
ECM Wiring Diagram (Part 3 of 3):







A8 = Distributor Reference Low
A7 = Distributor Reference High
C7 = EST Output
D5 = Bypass
A10 = Canister
C2 = EGR
C4 = AIR Divert
D3 = AIR Switch
D8 = Power Steering Pressure Switch
C6 = A/C Relay
A2 = Pass Key module (1989 only)