Curiosii for ever!
: Car repair manuals for everyone.
Home
>>
Cadillac
>>
1988
>>
Allante V8-252 4.1L
>>
Repair and Diagnosis
>>
Powertrain Management
>>
Ignition System
>>
Ignition Shut Down Relay (For Antitheft)
>>
Locations
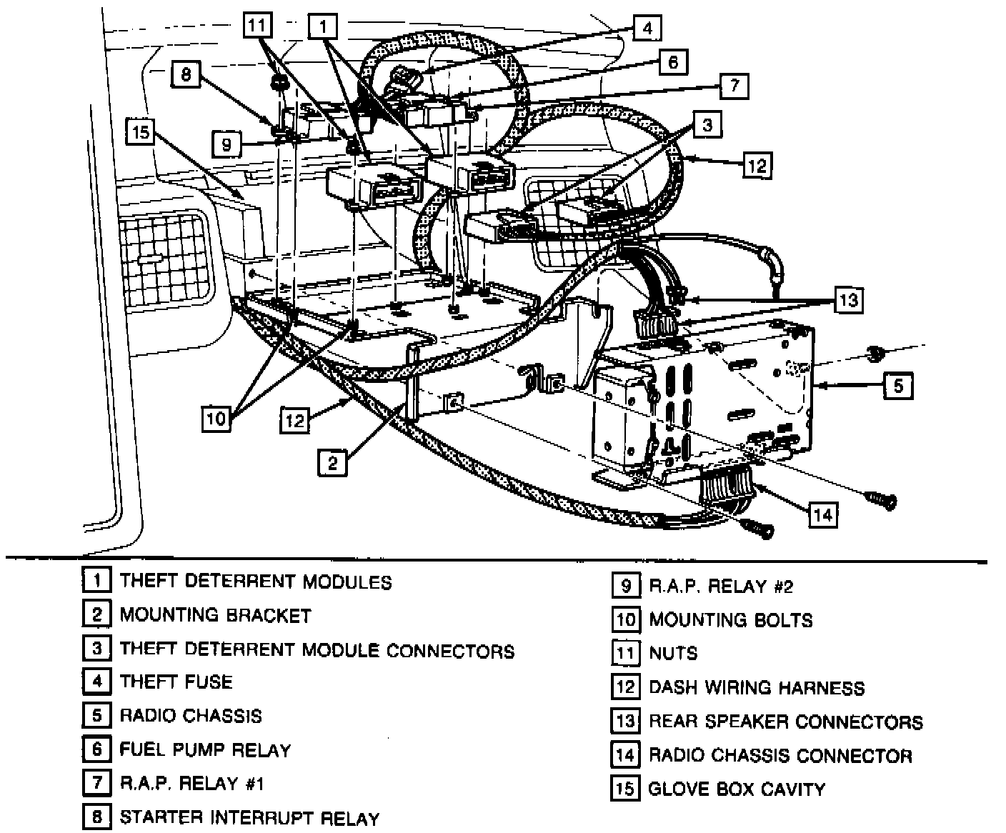
Ignition Shut Down Relay (For Antitheft): Locations
Behind RH Side Of I/P:
Theft Deterrent Module, Starter Interrupt Relay, & Theft Fuse:
Radio Chassis And Relay And VAT Bracket:
Behind RH side of I/P, above heater and A/C plenum