Curiosii for ever!
: Car repair manuals for everyone.
Home
>>
Cadillac
>>
1987
>>
Seville V8-252 4.1L
>>
Repair and Diagnosis
>>
Diagrams
>>
Electrical Diagrams
>>
Cooling System
>>
System Diagram
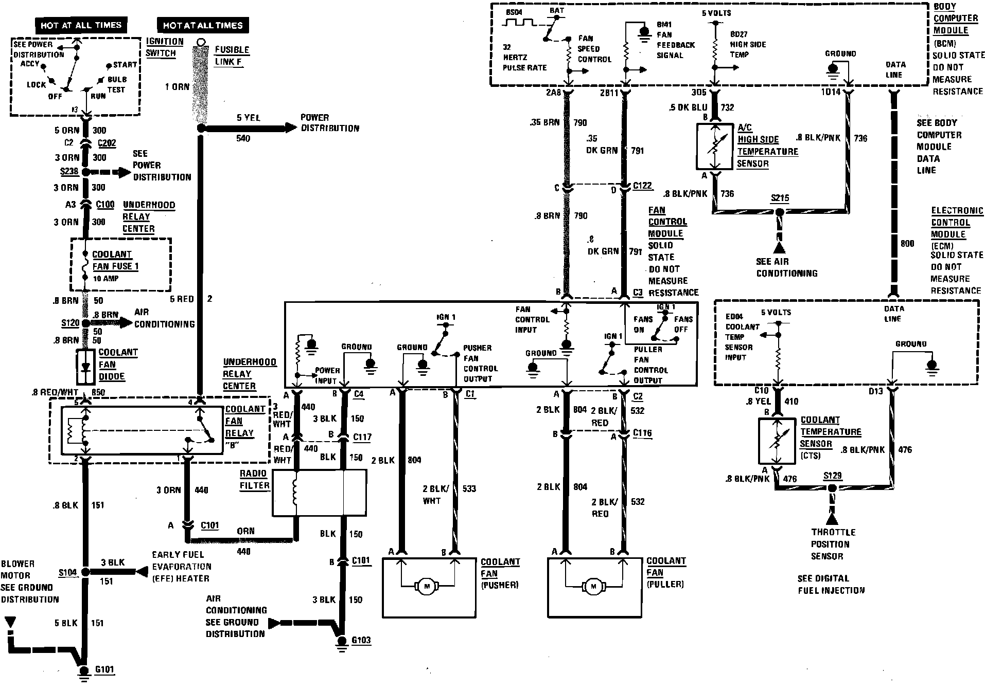
System Diagram
Coolant Fan Wiring Circuit: