Curiosii for ever!
: Car repair manuals for everyone.
Home
>>
Cadillac
>>
1987
>>
Eldorado V8-252 4.1L
>>
Repair and Diagnosis
>>
Diagrams
>>
Electrical Diagrams
>>
Accessory Delay Module
Accessory Delay Module
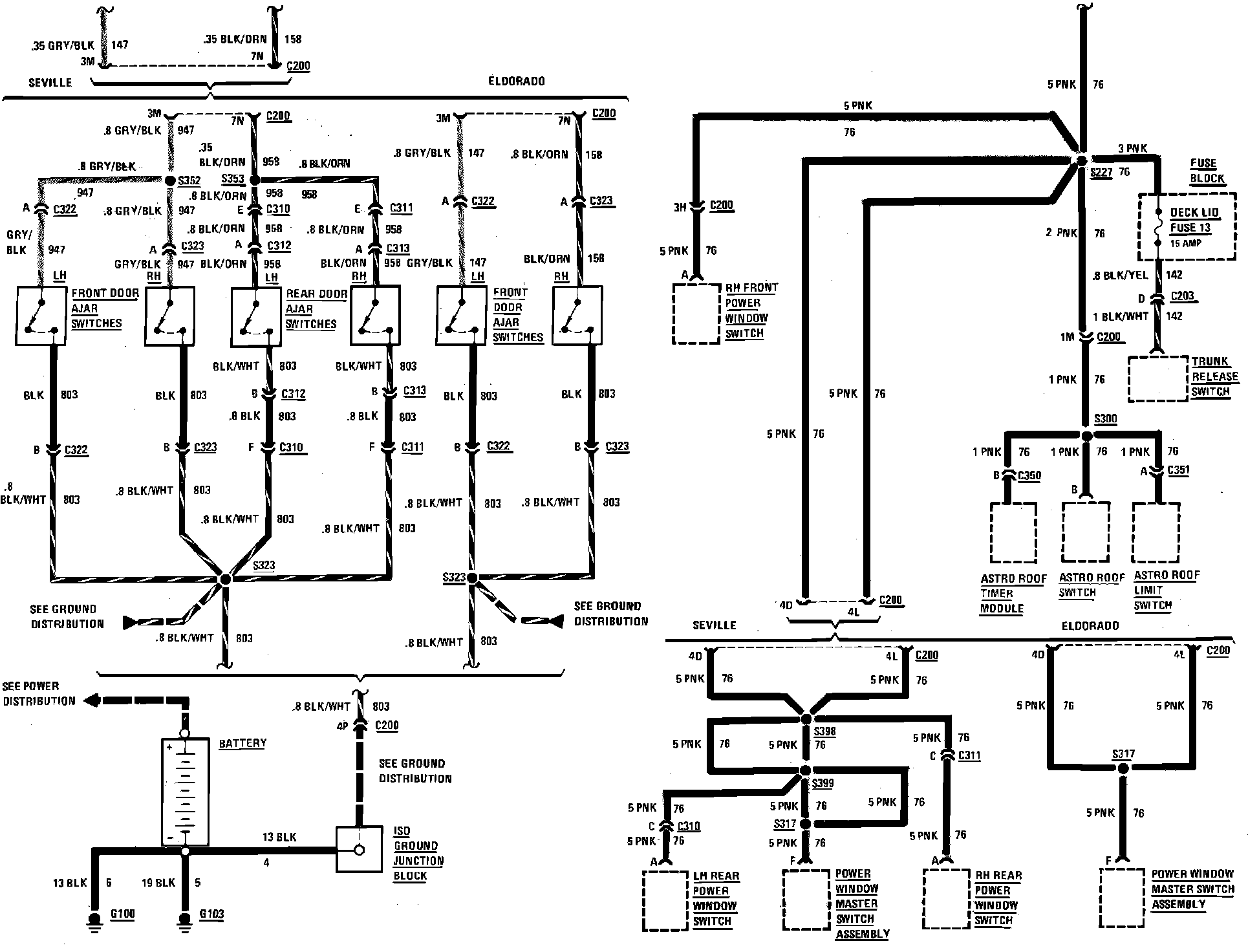
Accessory Power Wiring Circuit (Part 1 Of 2):
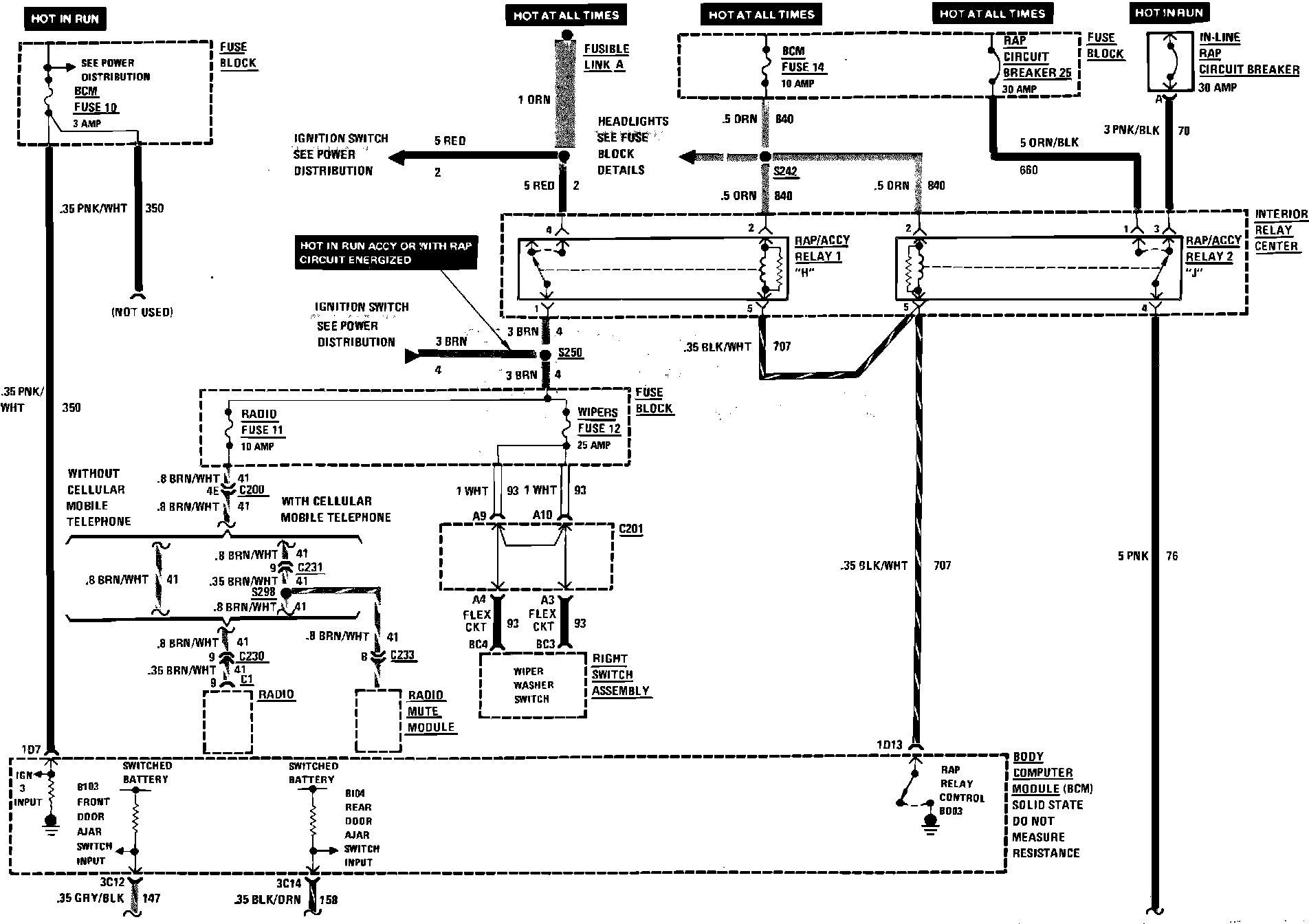
Accessory Power Wiring Circuit (Part 2 Of 2):