Curiosii for ever!
: Car repair manuals for everyone.
Home
>>
Cadillac Truck
>>
2010
>>
SRX AWD V6-3.0L
>>
Repair and Diagnosis
>>
Diagrams
>>
Electrical Diagrams
>>
Powertrain Management
>>
Computers and Control Systems
>>
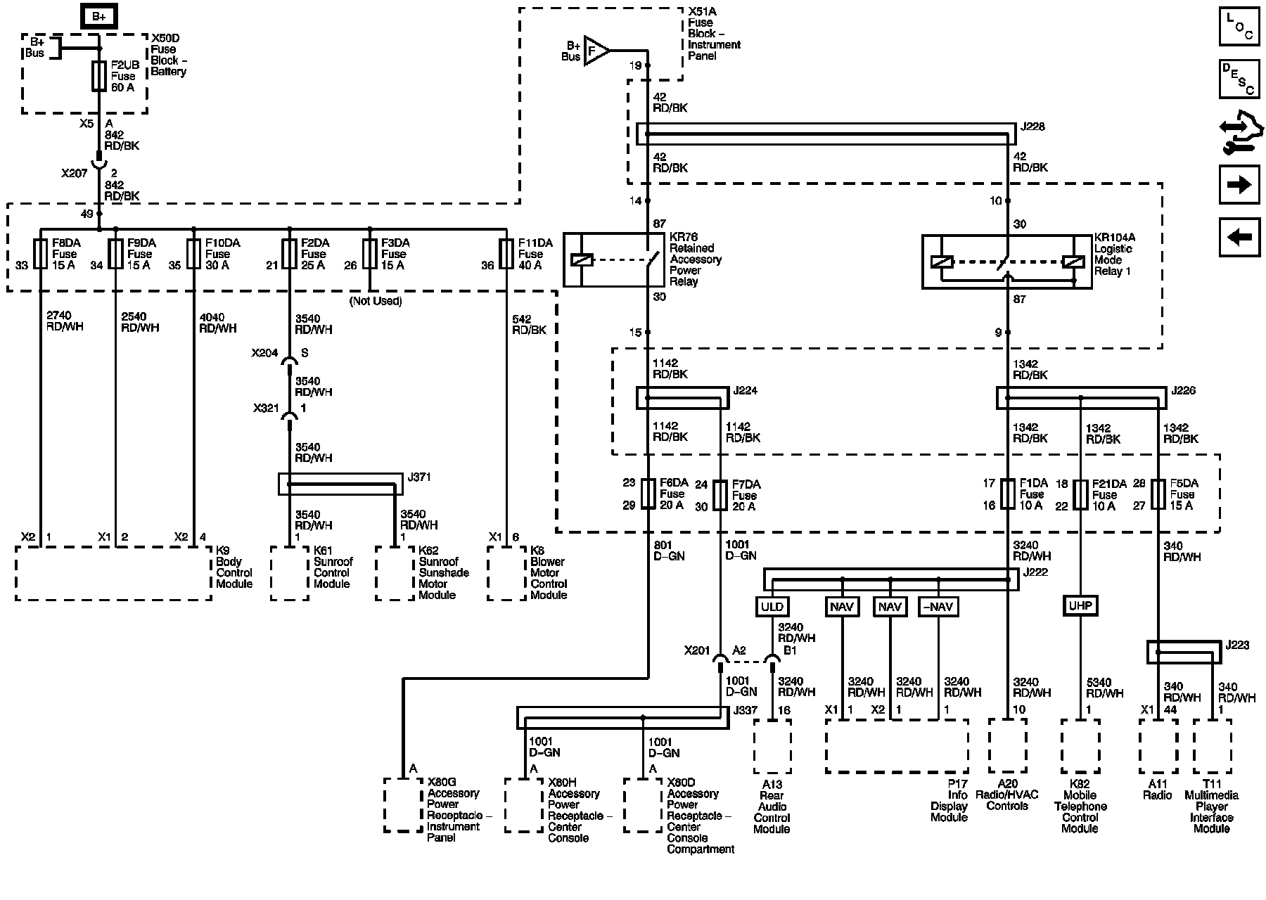
Body Control Module
Body Control Module
Power Distribution Schematics
F2UB, F1DA, F2DA, F3DA, F6DA, F7DA, F8DA, F9DA, F10DA, F11DA, D21DA, and F22DA Fuses