Curiosii for ever!
: Car repair manuals for everyone.
Home
>>
Cadillac Truck
>>
2009
>>
SRX AWD V8-4.6L
>>
Repair and Diagnosis
>>
Diagrams
>>
Connector Views
>>
Engine Control Module
Engine Control Module
Component Connector End Views
Engine Control Module (ECM) X1 (LH2)
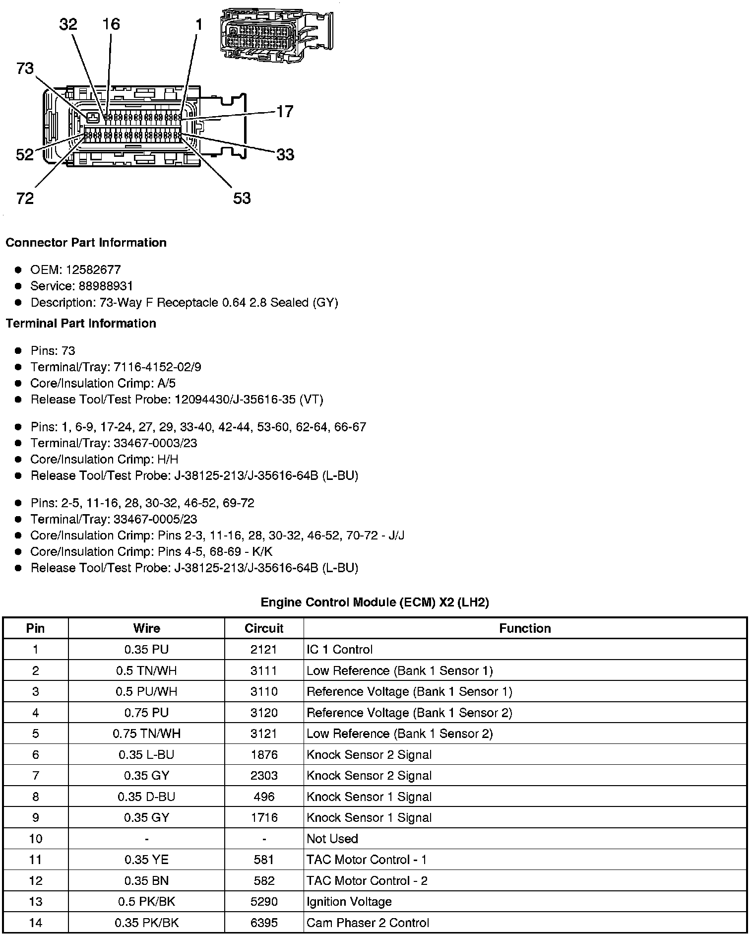
Engine Control Module (ECM) X2 (LH2)
Engine Control Module (ECM) X3 (LH2)