Curiosii for ever!
: Car repair manuals for everyone.
Home
>>
Cadillac Truck
>>
2007
>>
Escalade AWD V8-6.2L
>>
Repair and Diagnosis
>>
Body and Frame
>>
Seats
>>
Power Seat Control Module
>>
Locations
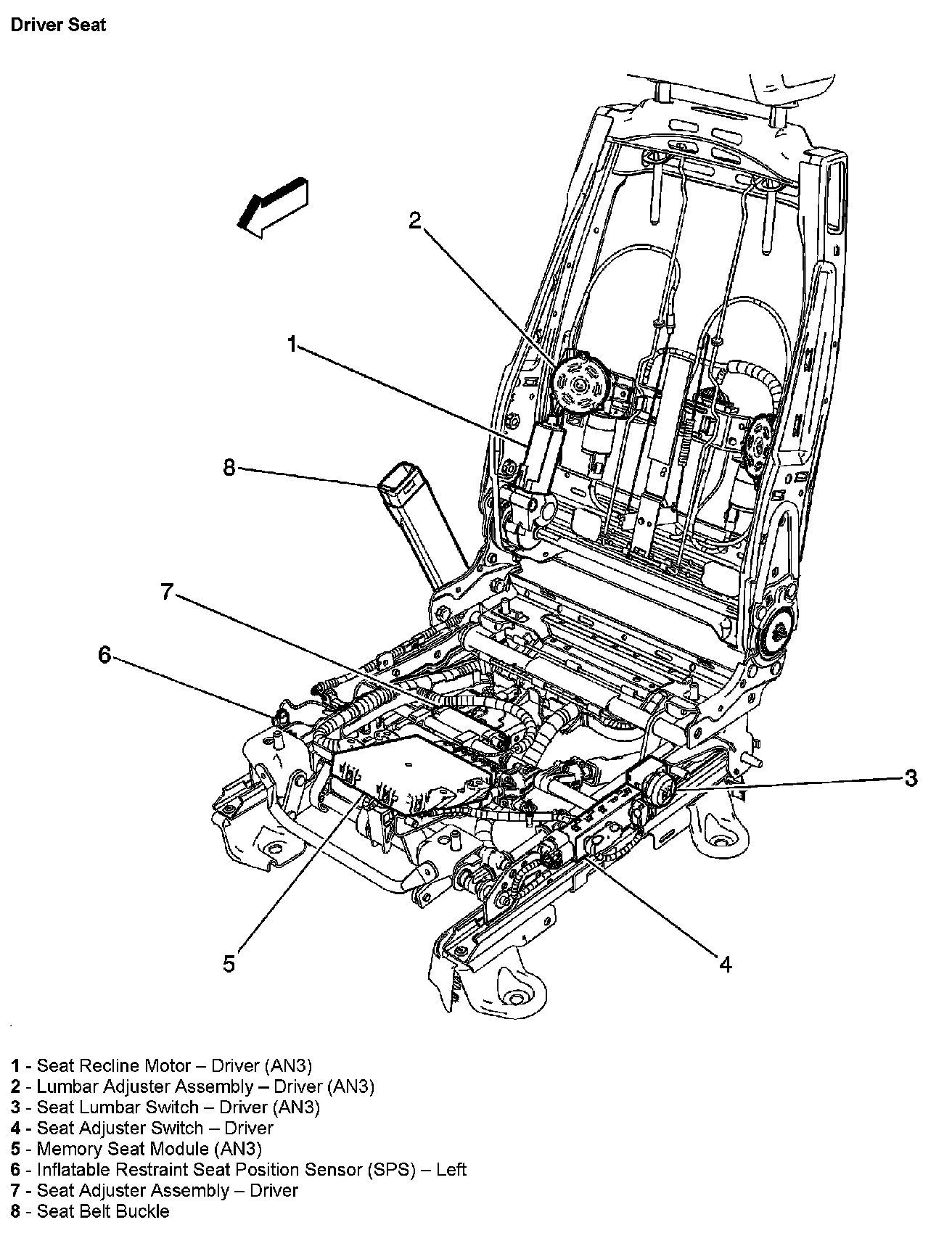
Power Seat Control Module: Locations
Driver Seat: