Curiosii for ever!
: Car repair manuals for everyone.
Home
>>
Cadillac Truck
>>
2006
>>
SRX AWD V6-3.6L VIN 7
>>
Repair and Diagnosis
>>
Powertrain Management
>>
Computers and Control Systems
>>
Accelerator Pedal Position Sensor
>>
Locations
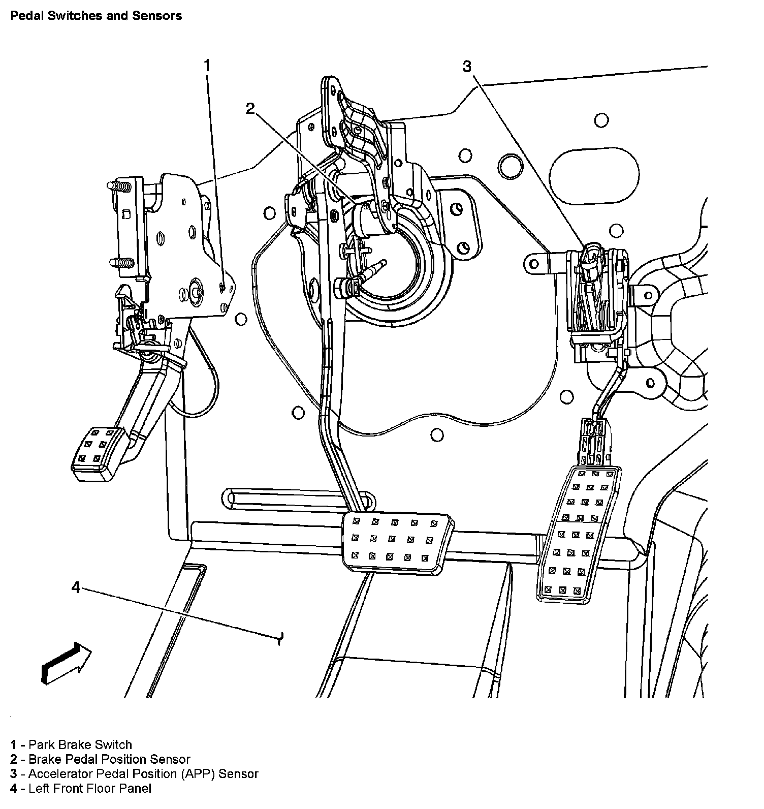
Accelerator Pedal Position Sensor: Locations
Pedal Switches And Sensors: