Curiosii for ever!: Car repair manuals for everyone.

Body Control System Diagrams



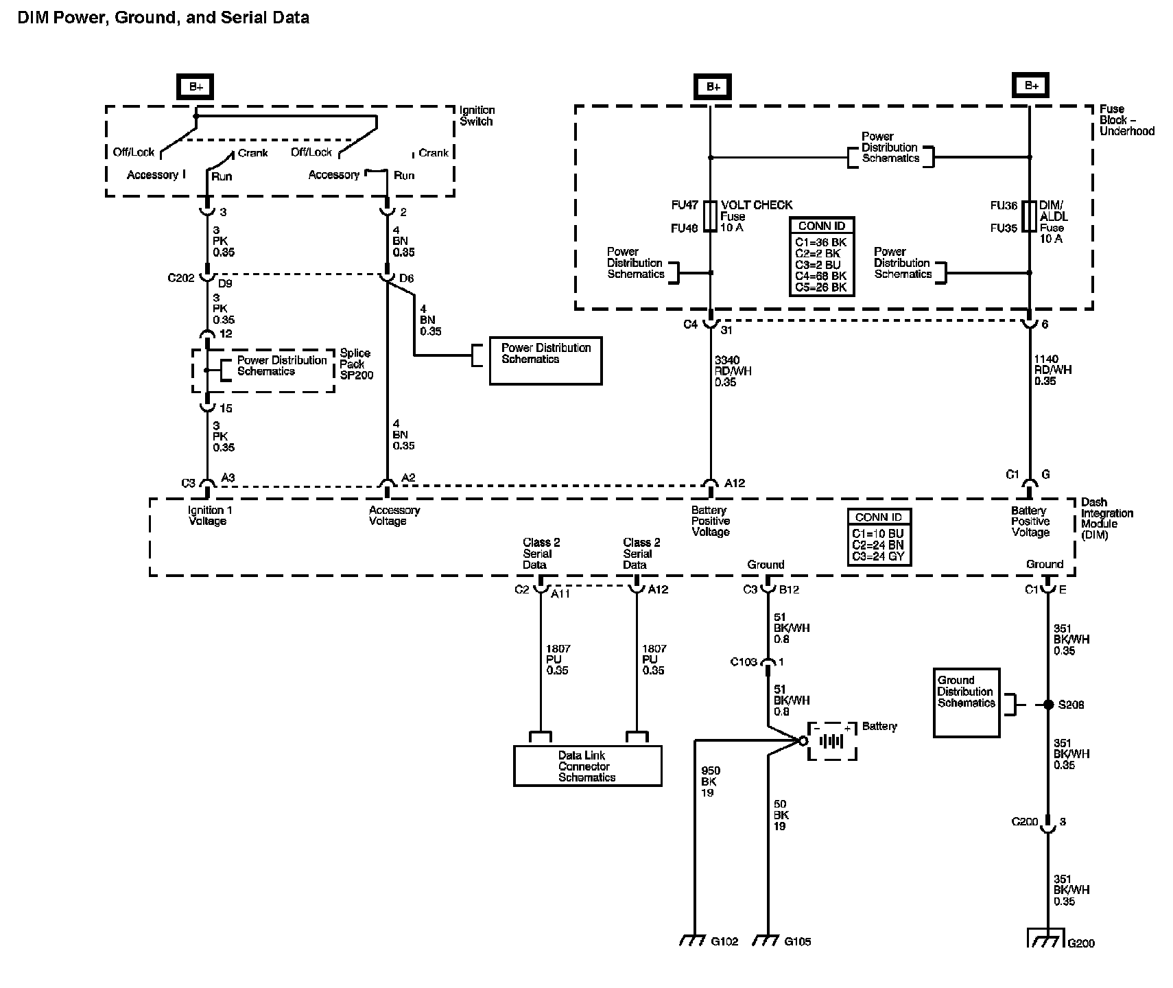
Body Control System Diagram 1:




Body Control System Diagram 2 (1 Of 2):




Body Control System Diagram 2 (2 Of 2):




Body Control System Diagram 3:




Body Control System Diagram 4:






Location: The locations for the Connectors, Grounds, Splices, and Grommets shown within these diagrams can be found via their numbers at Vehicle Locations. Locations