Curiosii for ever!: Car repair manuals for everyone.

Transmission Front Mount Replacement




Transmission Front Mount Replacement

Removal Procedure

1. Raise the vehicle. Refer to Lifting and Jacking the Vehicle Service and Repair.





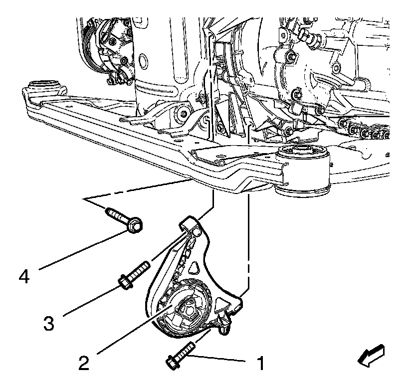
2. Remove the transmission front mount to suspension frame bolt (4).





3. Remove the 2 transmission front mount to transmission bolts (1).

4. Remove the transmission front mount (2).

Installation Procedure





1. Install the transmission front mount (2).

Caution:
Refer to Fastener Caution Fastener Caution.

2. Install the 2 transmission front mount to transmission bolts (1) and tighten to 100 Nm (74 lb ft).





3. Install the transmission front mount to suspension frame bolt (4) and tighten to 100 Nm (74 lb ft).

4. Lower the vehicle.