Curiosii for ever!: Car repair manuals for everyone.

Input Speed Sensor Replacement





Input Speed Sensor Replacement

Removal Procedure

1. Remove the control solenoid valve and transmission control module assembly. Refer to Control Solenoid Valve and Transmission Control Module Assembly Replacement Service and Repair.




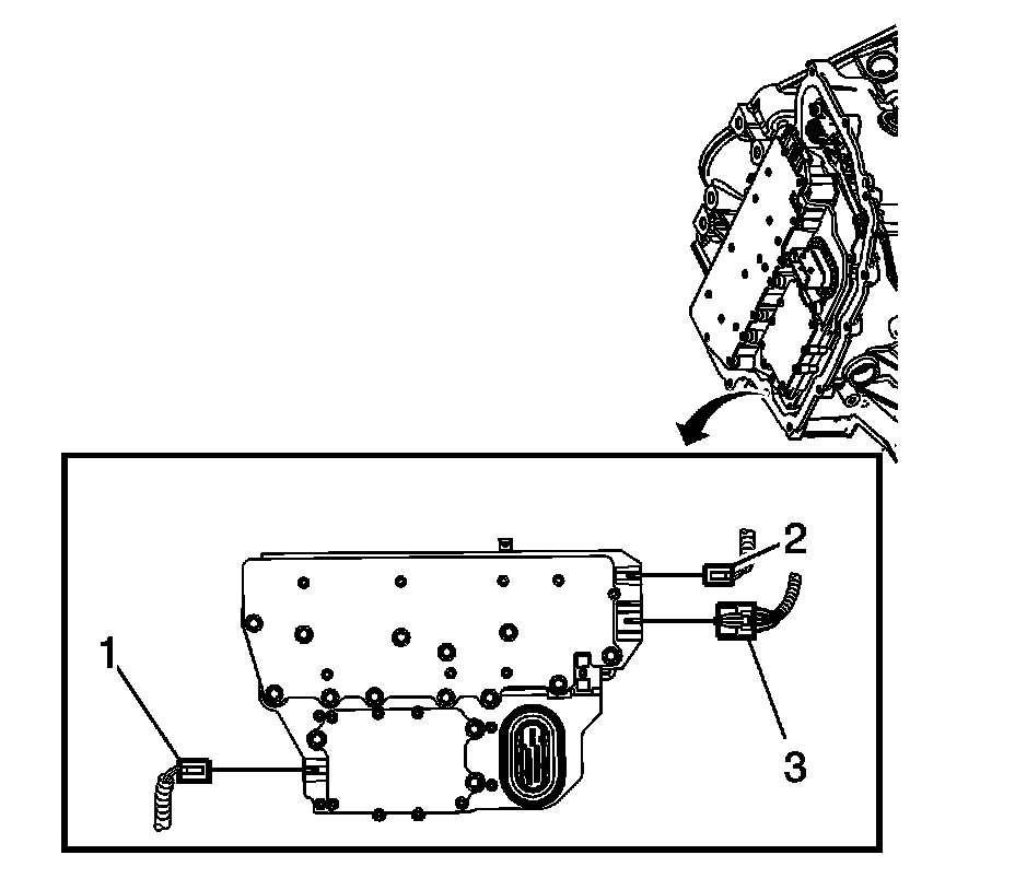
2. Disconnect the input speed sensor electrical connector (1).




3. Remove the input speed sensor bolt (2) M6 x 23.

4. Remove the input speed sensor (3).

5. Remove the 3 input speed sensor seals (1).

Installation Procedure




1. Install the 3 input speed sensor seals (1).

2. Install the input speed sensor (3).

Caution: Refer to Fastener Caution Fastener Caution.

3. Install the input speed sensor bolt (2) M6 x 23 and tighten to 9 Nm (80 lb in).




4. Connect the input speed sensor electrical connector (1).

5. Install the control solenoid valve and transmission control module assembly. Refer to Control Solenoid Valve and Transmission Control Module Assembly Replacement Service and Repair.

6. Perform the service fast learn adapt procedure.