Curiosii for ever!
: Car repair manuals for everyone.
Home
>>
Buick
>>
2013
>>
Regal L4-2.0L Turbo
>>
Repair and Diagnosis
>>
Powertrain Management
>>
Emission Control Systems
>>
Catalytic Converter
>>
Catalyst Shield
>>
Service and Repair
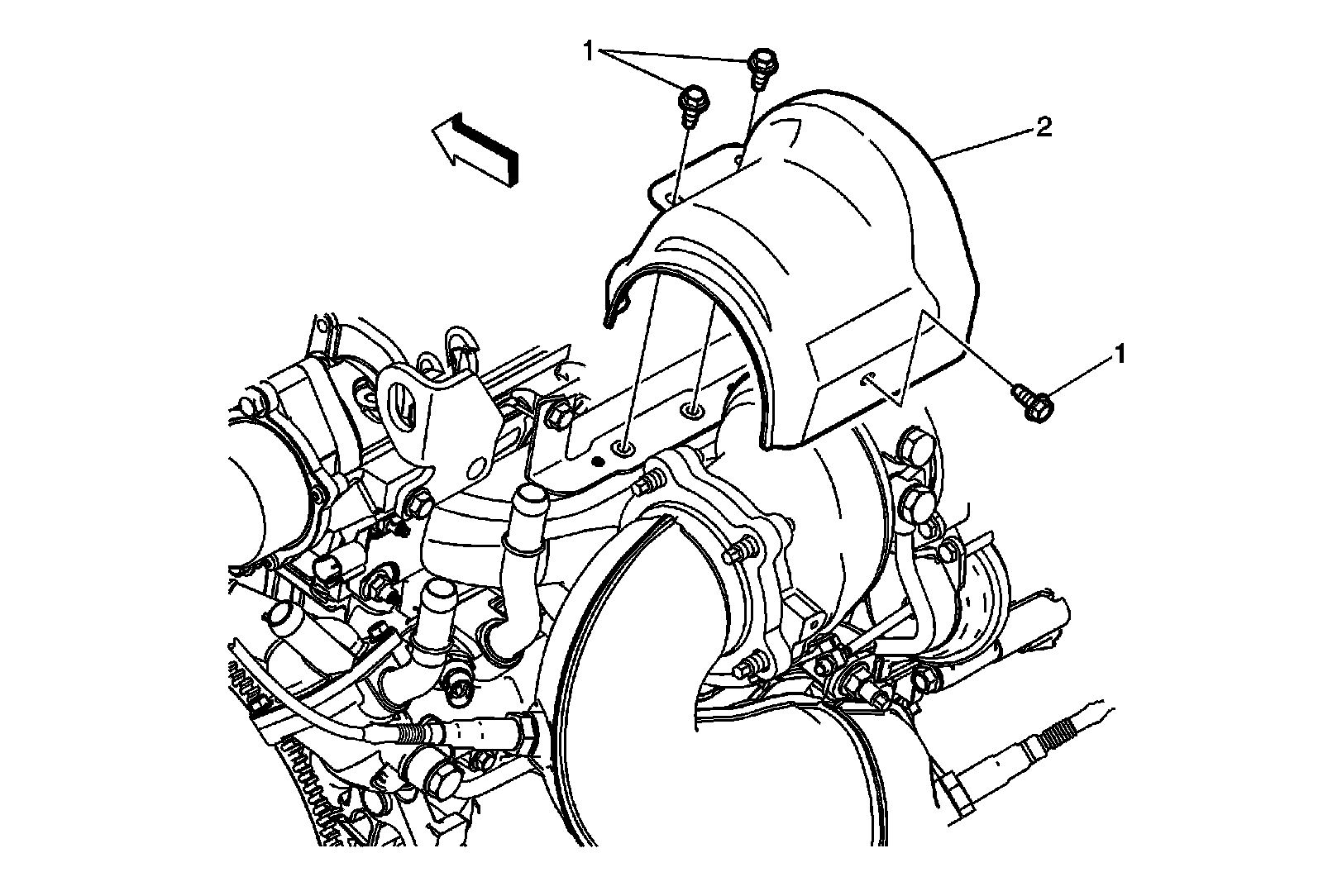
Catalyst Shield: Service and Repair
Catalytic Converter
Heat Shield
Replacement (LDK OR LHU)