Curiosii for ever!
: Car repair manuals for everyone.
Home
>>
Buick
>>
2013
>>
LaCrosse AWD V6-3.6L
>>
Repair and Diagnosis
>>
Powertrain Management
>>
Emission Control Systems
>>
Air Injection
>>
Air Injection Pump
>>
Service and Repair
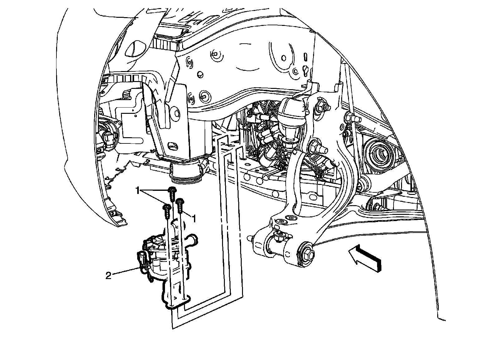
Air Injection Pump: Service and Repair
Secondary Air Injection Pump Replacement